Yamaha Outboard Parts - Alternate 1 - 4ACMH (1988) | Flood Marine
New Search
Parts
New Outboards
Home
4ACMH (1988)
Alternate 1
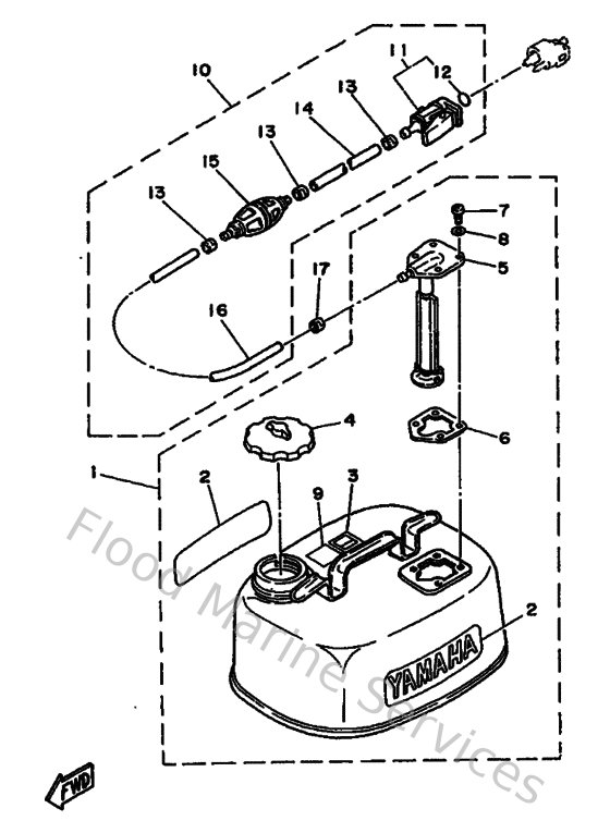
Diagram: Alternate 1
Parts List
Reference
Description
Price
4
6Y0246100000
Cap assembly
Loading…
↗
6
663242680000
Gasket, housing fuel meter
Loading…
↗
7
985860501600
Screw, pan head
Loading…
↗
8
6Y1243290000
Seal
Loading…
↗
9
6Y1242558000
Graphic, Fuel Tank 8
Loading…
↗
10
6Y0243060400
Fuel pipe comp. 1
Loading…
↗
11
6G1243050000
Fuel pipe joint comp. 2
Loading…
↗
12
932100828700
O-ring (655)
Loading…
↗
13
650243510100
Band 1
Loading…
↗
14
9044511M0500
Hose (l1000)
Loading…
↗
15
6YL243606300
Primer pump assembly
Loading…
↗
16
9044511M7900
Hose (l3000)
Loading…
↗
17
650243515000
Band 1
Loading…
↗