Yamaha Outboard Parts - Alternate 10 - 50DEMTO (1990) | Flood Marine
New Search
Parts
New Outboards
Home
50DEMTO (1990)
Alternate 10
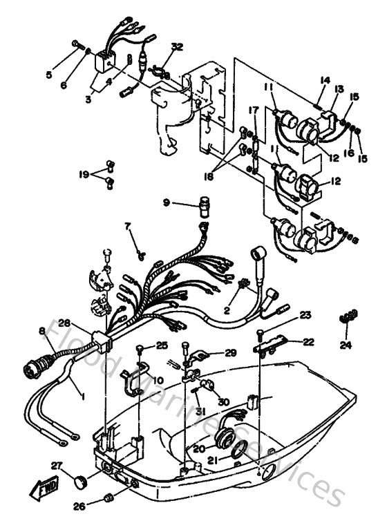
Diagram: Alternate 10
Parts List
Reference
Description
Price
1
6H4821050100
Battery cable
Loading…
↗
2
9046407M2000
Clamp(6h0)
Loading…
↗
3
6G1819706100
Rectifier assembly
Loading…
↗
4
6G1821510000
Fuse (10a)
Loading…
↗
5
985800552500
Screw, panhead (a93)
Loading…
↗
6
929900560000
Washer, plain (646)
Loading…
↗
7
904651814700
Clamp
Loading…
↗
8
6H4825902200
Wire harness assembly
Loading…
↗
10
6H4825880000
Plate
Loading…
↗
11
6G1819411000
Starter relay
Loading…
↗
12
6H4819520000
Holder, relay
Loading…
↗
15
953800660000
Nut(661)
Loading…
↗
16
929900660000
Washer, plain (646)
Loading…
↗
17
6H4871490000
Connector
Loading…
↗
20
6H1825630000
Trim & tilt switch assembly
Loading…
↗
21
6E5825870000
Gasket
Loading…
↗
22
6E5836140100
Bracket
Loading…
↗
23
973130601600
Bolt, hexagon deep recess
Loading…
↗
24
9046407M0500
Clamp (6g5)
Loading…
↗
25
970800601200
Bolt(gh1)
Loading…
↗
26
6H4427250000
Grommet 2
Loading…
↗
27
676427260000
Grommet 3
Loading…
↗
28
6H4427242000
Grommet
Loading…
↗
29
6H4825540000
Stay, Neutral Switch
Loading…
↗
30
6H4441730100
Lever Shift Control
Loading…
↗
31
916903002000
Pin, spring (6h4)
Loading…
↗
32
9046415M2700
Clamp(6h4)
Loading…
↗