Yamaha Outboard Parts - Alternate 3 - 40HM (1991) | Flood Marine
New Search
Parts
New Outboards
Home
40HM (1991)
Alternate 3
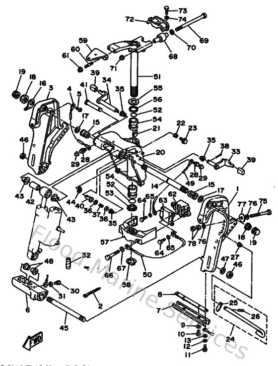
Diagram: Alternate 3
Parts List
Reference
Description
Price
2
9046513M1100
Clamp (6e5)
Loading…
↗
4
6E5821480000
Wire, lead 5
Loading…
↗
5
978950600800
Screw, pan head(6a3)
Loading…
↗
7
6H1452510300
Anode
Loading…
↗
8
6H1445260000
Plate 2
Loading…
↗
9
9020106M3100
Washer (6a0)
Loading…
↗
10
970800601200
Bolt(gh1)
Loading…
↗
11
973950601600
Bolt, hexagon deep recess
Loading…
↗
12
929900610000
Washer(6a1)
Loading…
↗
13
929900660000
Washer, plain (646)
Loading…
↗
14
6J8431310100
Bolt, clamp bracket
Loading…
↗
15
9038622M1500
Bushing (688)
Loading…
↗
16
6J8431130100
Plate, clamp bracket
Loading…
↗
17
902012242800
Washer, plate(64j)
Loading…
↗
18
901852200700
Nut, self-locking
Loading…
↗
19
663431450000
Cap, clamp bracket
Loading…
↗
21
6J8425280000
Plate, friction
Loading…
↗
22
689433730100
Seal, damper
Loading…
↗
23
9010506M1800
Bolt (689)
Loading…
↗
24
676431600200
Tilt rod assembly
Loading…
↗
25
676431650000
Stopper plate, titl lock rod
Loading…
↗
26
916903001200
Pin, spring
Loading…
↗
27
9050210M0400
Spring, conical(6f5)
Loading…
↗
28
937000600400
Nipple, grease(6a1)
Loading…
↗
29
663451190000
Cap, grease nipple
Loading…
↗
30
973950601000
Bolt
Loading…
↗
32
9044610M0100
Tube (6e5)
Loading…
↗
33
6H5431810100
Lever, Tilt Stop
Loading…
↗
34
6H5431850100
Lever, Tilt Stop
Loading…
↗
35
9038610M1600
Bushing (688)
Loading…
↗
36
929901060000
Washer, plate
Loading…
↗
37
9050110M2100
Spring (688)
Loading…
↗
38
914903003000
Pin, cotter
Loading…
↗
39
663433180000
Cover
Loading…
↗
40
9038610M1900
Bush
Loading…
↗
41
6H5431260200
Pin, Upper Shock Mount
Loading…
↗
42
9038612M6500
Bush
Loading…
↗
43
9038612M6400
Bush(6h4)
Loading…
↗
44
9341012M0800
Circlip
Loading…
↗
45
9011618M2100
Bolt, Stud
Loading…
↗
46
9017018M1000
Nut (6h5)
Loading…
↗
47
929951860000
Washer(64j)
Loading…
↗
48
9038618M4400
Bushing (6g5)
Loading…
↗
49
6H5821270000
Wire Lead
Loading…
↗
50
6H5821490000
Wire, Lead 3
Loading…
↗
51
6H44251009EJ
Steering Bracket assembly
Loading…
↗
52
9321029M9400
O-ring(6h1)
Loading…
↗
53
9038630M6000
Bush(6j8)
Loading…
↗
54
9038630M7700
Bush(6h0)
Loading…
↗
55
9020130M0000
Washer, plate(6h1)
Loading…
↗
56
9038630M7800
Bush(6h0)
Loading…
↗
58
9341028M0600
Circlip (688)
Loading…
↗
59
6H448511514D
Hook, Steering
Loading…
↗
60
901161006300
Bolt, stud
Loading…
↗
61
901851005100
Nut, self-locking
Loading…
↗
62
6H4445571000
Mount, lower front
Loading…
↗
63
6H4445530100
Cover, lower mount
Loading…
↗
64
973950802500
Bolt (62g)
Loading…
↗
65
929900860000
Washer, plain (663)
Loading…
↗
66
970951006000
Bolt, hexagon
Loading…
↗
68
6H4445140000
Mount, upper side
Loading…
↗
69
9010108M8600
Bolt (6h4)
Loading…
↗
70
902010942500
Washer, plate (663)
Loading…
↗
71
901850801800
Nut, self-locking
Loading…
↗
72
6H4445110094
Cover, Upper Mount
Loading…
↗
73
970950803500
Bolt(70w)
Loading…
↗
74
929900810000
Ybs67-8 washer, spring
Loading…
↗
75
9010112M6500
Bolt
Loading…
↗
76
929901220000
Ybs66-12 washer,plain
Loading…
↗
77
902011242600
Washe, plate(663)
Loading…
↗
78
953801260000
Nut (707)
Loading…
↗