Yamaha Outboard Parts - Alternate 4 - 40HM (1991) | Flood Marine
New Search
Parts
New Outboards
Home
40HM (1991)
Alternate 4
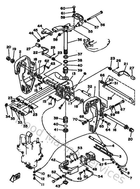
Diagram: Alternate 4
Parts List
Reference
Description
Price
2
6974311203EJ
Bracket, Clamp
Loading…
↗
3
6H1452510200
Anode
Loading…
↗
4
6H1445260000
Plate 2
Loading…
↗
5
9020106M3100
Washer (6a0)
Loading…
↗
6
970800601200
Bolt(gh1)
Loading…
↗
7
973950601600
Bolt, hexagon deep recess
Loading…
↗
8
929900610000
Washer(6a1)
Loading…
↗
9
929900660000
Washer, plain (646)
Loading…
↗
10
6H1821480000
Wire, lead
Loading…
↗
11
973950601000
Bolt
Loading…
↗
13
6974331103EJ
Bracket, Swivel
Loading…
↗
14
937000600400
Nipple, grease(6a1)
Loading…
↗
15
663451190000
Cap, grease nipple
Loading…
↗
16
688431310300
Bolt, clamp bracket
Loading…
↗
17
9038622M1500
Bushing (688)
Loading…
↗
18
9020122M6700
Washer, plate (688)
Loading…
↗
19
901852204300
Nut, self-locking
Loading…
↗
20
663431450000
Cap, clamp bracket
Loading…
↗
21
688431810400
Lever, tilt stop 1
Loading…
↗
22
688431850300
Lever, tilt stop 2
Loading…
↗
23
9038610M1600
Bushing (688)
Loading…
↗
24
929901060000
Washer, plate
Loading…
↗
25
9050110M2100
Spring (688)
Loading…
↗
26
914903003000
Pin, cotter
Loading…
↗
27
663433180000
Cover
Loading…
↗
28
9038710M3800
Coller (6e5)
Loading…
↗
29
697431600000
Tilt lock ass'y
Loading…
↗
30
688431650000
Stopper, tilt rod
Loading…
↗
31
916903001200
Pin, spring
Loading…
↗
32
6E5431260200
Pin, upper shock mount
Loading…
↗
33
9038618M6300
Bush(6e5)
Loading…
↗
34
9341018M0200
Circlip (6f2)
Loading…
↗
35
9038618M3500
Bush (688)
Loading…
↗
36
6H44251009EJ
Steering Bracket assembly
Loading…
↗
37
9020130M0000
Washer, plate(6h1)
Loading…
↗
38
9038630M7800
Bush(6h0)
Loading…
↗
39
9038630M7700
Bush(6h0)
Loading…
↗
40
9321029M9400
O-ring(6h1)
Loading…
↗
41
9038630M6000
Bush(6j8)
Loading…
↗
43
9341028M0600
Circlip (688)
Loading…
↗
45
901161006300
Bolt, stud
Loading…
↗
46
901851005100
Nut, self-locking
Loading…
↗
47
6H4445571000
Mount, lower front
Loading…
↗
48
6H4445530100
Cover, lower mount
Loading…
↗
49
973950802500
Bolt (62g)
Loading…
↗
50
929900860000
Washer, plain (663)
Loading…
↗
51
973951006000
Bolt, hexagon
Loading…
↗
53
6H5821170000
Wire, Lead
Loading…
↗
54
6H5821490000
Wire, Lead 3
Loading…
↗
55
6H4445140000
Mount, upper side
Loading…
↗
56
9010108M8600
Bolt (6h4)
Loading…
↗
57
902010942500
Washer, plate (663)
Loading…
↗
58
901850804500
Nut, self-locking
Loading…
↗
59
6H4445110094
Cover, Upper Mount
Loading…
↗
60
970950803500
Bolt(70w)
Loading…
↗
61
929900810000
Ybs67-8 washer, spring
Loading…
↗
62
6E5821480000
Wire, lead 5
Loading…
↗
63
978850601200
Screw, pan head(62j)
Loading…
↗
64
973951004500
Bolt(64d)
Loading…
↗
65
929901010000
Ybs67-10 washer, spring
Loading…
↗
66
9050220M0300
Spring (6e5)
Loading…
↗
67
9010112M6500
Bolt
Loading…
↗
68
929951220000
Ybs66-12 washer,plain
Loading…
↗
69
902011242600
Washe, plate(663)
Loading…
↗
70
953801260000
Nut (707)
Loading…
↗