Yamaha Outboard Parts - Alternate 4 - 50DEMTO (1990) | Flood Marine
New Search
Parts
New Outboards
Home
50DEMTO (1990)
Alternate 4
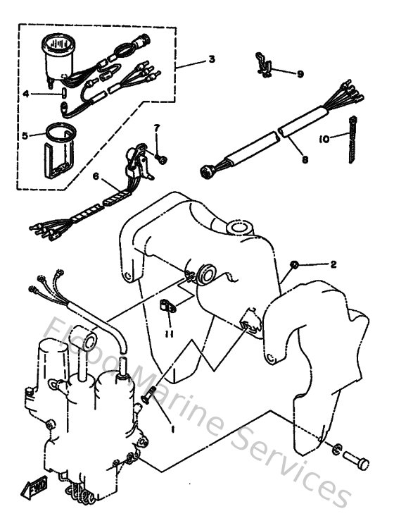
Diagram: Alternate 4
Parts List
Reference
Description
Price
1
688433760100
Bolt, thrust receiver
Loading…
↗
2
957800830000
Nut, nylon (6j8)
Loading…
↗
3
6Y5836700100
Trim Meter
Loading…
↗
4
6Y5835180000
Bulb (12v-1.7w) t6.5
Loading…
↗
6
6E5836720100
Trim sender
Loading…
↗
7
985800601600
Screw pan head
Loading…
↗
8
6E5825531000
Extension, Wire Harness
Loading…
↗
9
9046415M0800
Clamp (6h1)
Loading…
↗
10
9046511M1000
Clamp
Loading…
↗
11
904650802800
Clamp (1e6)
Loading…
↗