Yamaha Outboard Parts - Bottom Cowling - 115CETOL (1994) | Flood Marine
New Search
Parts
New Outboards
Home
115CETOL (1994)
Bottom Cowling
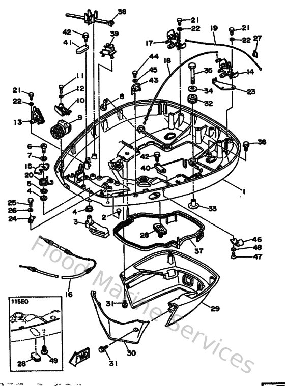
Diagram: Bottom Cowling
Parts List
Reference
Description
Price
1
6N742711414D
Cowling, Bottom
Loading…
↗
2
6H4427480000
Grommet
Loading…
↗
3
6N742815004D
Lever, Clamp
Loading…
↗
4
9038613M8800
Bush(6r3)
Loading…
↗
5
9020613M1000
Washer, wave (6e5)
Loading…
↗
6
9010908M4500
Bolt(6r3)
Loading…
↗
7
929900820000
Ybs66-8 washer, plain
Loading…
↗
8
6E5443910000
Nipple, hose
Loading…
↗
9
6N7427252000
Grommet
Loading…
↗
10
6N742738015B
Plate, fitting
Loading…
↗
11
970950601600
Bolt, hexagon deep recess
Loading…
↗
12
929900660000
Washer, plain (646)
Loading…
↗
13
6R3428240000
Base, clamp lever
Loading…
↗
14
6R3428110100
Stay
Loading…
↗
15
6R3428160000
Lever, clamp
Loading…
↗
16
6R3428500000
Wire Complete
Loading…
↗
17
6R3428111000
Stay
Loading…
↗
18
6N7428501000
Wire, complete
Loading…
↗
19
6N7428502000
Wire, complete
Loading…
↗
20
6R3428130000
Spring, clamp lever
Loading…
↗
23
6N7428280000
Plate, clamp
Loading…
↗
24
6R3428280000
Plate, clamp
Loading…
↗
25
970950601000
Bolt
Loading…
↗
28
6H4427260000
Grommet
Loading…
↗
29
6N742741004D
Apron
Loading…
↗
30
6R342771004D
Apron
Loading…
↗
31
975950652000
Bolt(7u8)
Loading…
↗
32
9048022M1500
Grommet (6e5)
Loading…
↗
33
9038708M3700
Coller (6e5)
Loading…
↗
34
9020108M5400
Washer, plate (6e5)
Loading…
↗
35
970900803500
Bolt(70w)
Loading…
↗
37
6E5427160000
Seal
Loading…
↗
38
688825940000
Clamp
Loading…
↗
39
6E5825940000
Clamp
Loading…
↗
40
6K7825880000
Plate
Loading…
↗
41
6E5825880000
Plate
Loading…
↗
43
9046512M2500
Clamp (6e5)
Loading…
↗
44
970800601200
Bolt(gh1)
Loading…
↗
46
6E5243671000
Clamp, fuel pipe 2
Loading…
↗
47
9015706M0100
Screw (6e5)
Loading…
↗
49
9033805M0300
Plug (6h1)
Loading…
↗