Yamaha Outboard Parts - Bottom Cowling - 25NEMO (1997) | Flood Marine
New Search
Parts
New Outboards
Home
25NEMO (1997)
Bottom Cowling
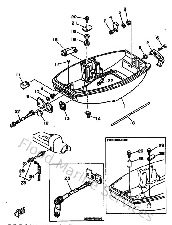
Diagram: Bottom Cowling
Parts List
Reference
Description
Price
1
6L242711034D
Cowling, bottom 1
Loading…
↗
2
6L242815014D
Lever, clamp
Loading…
↗
3
9038612M4500
Bushing (6g1)
Loading…
↗
4
6L2428160000
Lever, clamp
Loading…
↗
5
902061205200
Washer, wave (666)
Loading…
↗
6
978850603500
Screw, pan head(6h4)
Loading…
↗
7
957800630000
Nut, nylon (6g1)
Loading…
↗
8
6L242719A000
Panel, front lower
Loading…
↗
9
689412730000
Grommet
Loading…
↗
10
6J8412740000
Grommet 2
Loading…
↗
11
6L2427250000
Grommet
Loading…
↗
12
6G1427240000
Grommet
Loading…
↗
13
6L2427260100
Grommet
Loading…
↗
14
6G1427270000
Grommet
Loading…
↗
15
6L2427480100
Grommet
Loading…
↗
16
6L2427160000
Rubber seal 1
Loading…
↗
17
9033805M0300
Plug (6h1)
Loading…
↗
18
9048015M3100
Grommet (6g1)
Loading…
↗
19
9038706M5200
Collar (6g1)
Loading…
↗
20
958950602000
Bolt, flange(jk3)
Loading…
↗
21
6L2427380100
Plate, fitting
Loading…
↗
22
6H3443910100
Nipple, hose
Loading…
↗
23
6E9825750200
Engine stop switch assembly
Loading…
↗
24
682825560000
Lanyard, stop switch
Loading…
↗
25
6898257Y0000
Cap
Loading…
↗
26
682843810000
2p concent 1
Loading…
↗
27
6J8854100000
Emergency signal light assembly
Loading…
↗
28
6E5825880000
Plate
Loading…
↗
29
958950601600
Bolt, flange deep recess
Loading…
↗