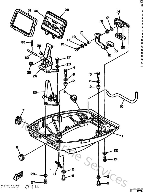
Yamaha Outboard Parts - Bottom Cowling - F8AMH (1988) | Flood Marine

Diagram: Bottom Cowling

Diagram