Yamaha Outboard Parts - Bottom Cowling - F8BMH (1996) | Flood Marine
New Search
Parts
New Outboards
Home
F8BMH (1996)
Bottom Cowling
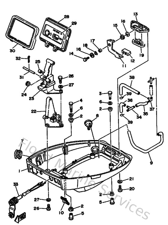
Diagram: Bottom Cowling
Parts List
Reference
Description
Price
1
6G842711024D
Cowling, Bottom 1
Loading…
↗
2
9048009M3500
Grommet (6G8)
Loading…
↗
3
970950603000
Bolt(jf7)
Loading…
↗
4
970950604000
Bolt (682)
Loading…
↗
5
9038706M1500
Collar(6g8)
Loading…
↗
6
9020106M3100
Washer (6a0)
Loading…
↗
7
6G8427240000
Grommet 1
Loading…
↗
8
6G8443910000
Nipple, Hose
Loading…
↗
9
904450901000
Hose (L260)
Loading…
↗
10
6G8427270000
Grommet 4
Loading…
↗
11
6G8428150000
Lever, clamp 1
Loading…
↗
12
6G8428310000
Bushing Lever
Loading…
↗
13
6G8428110094
Stay, clamp
Loading…
↗
14
970950601600
Bolt, hexagon deep recess
Loading…
↗
15
9038608M4900
Bushing (6g8)
Loading…
↗
17
9038706M7200
Collar
Loading…
↗
18
9020608M1300
Washer, Wave
Loading…
↗
19
6G8427480000
Grommet
Loading…
↗
21
929900660000
Washer, plain (646)
Loading…
↗
22
6G8427380094
Plate Fitting
Loading…
↗
23
6G8427190094
Panel Front Lower
Loading…
↗
24
904801936800
Grommet(75v)
Loading…
↗
28
6G8426140200
Panel, Front Upper
Loading…
↗
30
6G8426290200
Seal
Loading…
↗
31
6G8427550000
Hinge, cowling
Loading…
↗
32
914901601000
Pin, cotter
Loading…
↗
33
682843810000
2p concent 1
Loading…
↗
34
6G8243790000
Pipe, Joint 4
Loading…
↗
35
9044510M7800
Hose (l400)
Loading…
↗
36
6G8124760000
Pipe 6
Loading…
↗
37
6G8243780100
Pipe, Joint 3
Loading…
↗
38
6G8124850000
Pipe 5
Loading…
↗
39
9046710M0400
Clip, pipe 1 (6e9)
Loading…
↗