Yamaha Outboard Parts - Bottom Cowling - F9.9BMH (1989) | Flood Marine
New Search
Parts
New Outboards
Home
F9.9BMH (1989)
Bottom Cowling
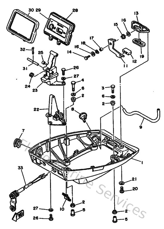
Diagram: Bottom Cowling
Parts List
Reference
Description
Price
2
9048009M3500
Grommet (6G8)
Loading…
↗
3
973130603000
Bolt
Loading…
↗
5
9038706M1500
Collar(6g8)
Loading…
↗
6
9020106M3100
Washer (6a0)
Loading…
↗
7
6G9427240000
Grommet
Loading…
↗
8
6G8443910000
Nipple, Hose
Loading…
↗
10
6G8427270000
Grommet 4
Loading…
↗
11
6G8428150000
Lever, clamp 1
Loading…
↗
12
6G8428310000
Bushing Lever
Loading…
↗
13
6G8428110094
Stay, clamp
Loading…
↗
14
973130601600
Bolt, hexagon deep recess
Loading…
↗
15
9038608M4900
Bushing (6g8)
Loading…
↗
17
903870670400
Collar (796)
Loading…
↗
18
9020608M1300
Washer, Wave
Loading…
↗
20
973950601600
Bolt, hexagon deep recess
Loading…
↗
21
929900660000
Washer, plain (646)
Loading…
↗
22
6G8427380094
Plate Fitting
Loading…
↗
23
6G84271900EJ
Panel Front Lower
Loading…
↗
24
904801936800
Grommet(75v)
Loading…
↗
28
6G8W42610000
Panel, Front Upper
Loading…
↗
30
6G8426290100
Seal
Loading…
↗
31
6G8427550000
Hinge, cowling
Loading…
↗
32
914901601000
Pin, cotter
Loading…
↗
33
682843810000
2p concent 1
Loading…
↗