Yamaha Outboard Parts - Bottom Cowling - L130BETOL (1997) | Flood Marine
New Search
Parts
New Outboards
Home
L130BETOL (1997)
Bottom Cowling
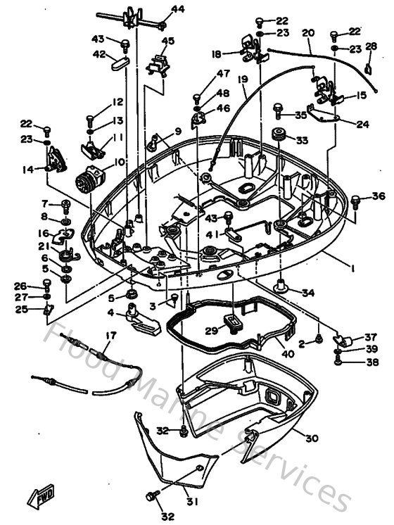
Diagram: Bottom Cowling
Parts List
Reference
Description
Price
1
6N742711438D
Cowling, bottom
Loading…
↗
2
9048006M1900
Grommet (6e3)
Loading…
↗
3
6H4427480000
Grommet
Loading…
↗
4
6N742815018D
Lever, clamp
Loading…
↗
5
9038613M8800
Bush(6r3)
Loading…
↗
6
9020613M1000
Washer, wave (6e5)
Loading…
↗
7
9010908M4500
Bolt(6r3)
Loading…
↗
8
929900820000
Ybs66-8 washer, plain
Loading…
↗
9
6E5443910000
Nipple, hose
Loading…
↗
10
6N7427252000
Grommet
Loading…
↗
11
6N742738025B
Plate, fitting
Loading…
↗
12
970950601600
Bolt, hexagon deep recess
Loading…
↗
13
929900660000
Washer, plain (646)
Loading…
↗
14
6R3428240000
Base, clamp lever
Loading…
↗
15
6R3428110100
Stay
Loading…
↗
16
6R3428160000
Lever, clamp
Loading…
↗
17
6N7428500000
Wire, complete
Loading…
↗
18
6R3428111000
Stay
Loading…
↗
19
6N7428501000
Wire, complete
Loading…
↗
20
6N7428502000
Wire, complete
Loading…
↗
21
6R3428130000
Spring, clamp lever
Loading…
↗
24
6N7428280000
Plate, clamp
Loading…
↗
25
6R3428280000
Plate, clamp
Loading…
↗
26
970850601000
Bolt
Loading…
↗
29
688427261000
Grommet
Loading…
↗
30
6N742741018D
Apron
Loading…
↗
31
6R342771018D
Apron
Loading…
↗
32
970800602000
Bolt(7u8)
Loading…
↗
33
9048022M1500
Grommet (6e5)
Loading…
↗
34
9038708M3700
Coller (6e5)
Loading…
↗
35
9011908M2200
Bolt, with washer
Loading…
↗
36
975950652000
Bolt(7u8)
Loading…
↗
37
6E5243671000
Clamp, fuel pipe 2
Loading…
↗
38
9015706M0100
Screw (6e5)
Loading…
↗
40
6E5427160000
Seal
Loading…
↗
41
6K7825880000
Plate
Loading…
↗
42
6E5825880000
Plate
Loading…
↗
44
688825940000
Clamp
Loading…
↗
45
6E5825940000
Clamp
Loading…
↗
46
9046512M2500
Clamp (6e5)
Loading…
↗
47
970950601200
Bolt(gh1)
Loading…
↗