Yamaha Outboard Parts - Bracket - 130BETOL (1990) | Flood Marine
New Search
Parts
New Outboards
Home
130BETOL (1990)
Bracket
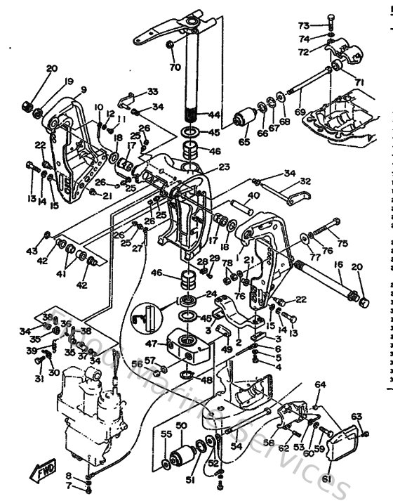
Diagram: Bracket
Parts List
Reference
Description
Price
2
6G5452510100
Anode
Loading…
↗
3
6G5445260000
Plate
Loading…
↗
4
973950603000
Bolt(jf7)
Loading…
↗
5
929950610000
Washer(6a1)
Loading…
↗
6
6E5821480000
Wire, lead 5
Loading…
↗
7
973950601000
Bolt
Loading…
↗
8
929900660000
Washer, plain (646)
Loading…
↗
11
978850601200
Screw, pan head(62j)
Loading…
↗
13
973951005000
Bolt, hexagon deep recess
Loading…
↗
14
929901010000
Ybs67-10 washer, spring
Loading…
↗
15
929901060000
Washer, plate
Loading…
↗
16
6R3431310000
Bolt, clamp bracket
Loading…
↗
17
9038625M3100
Bushing (6e5)
Loading…
↗
18
9020126M5900
Washer, plate (6e5)
Loading…
↗
19
901852204300
Nut, self-locking
Loading…
↗
20
6G5431450100
Cap, clamp bracket
Loading…
↗
21
6G5431640000
Rod, Tilt Lock
Loading…
↗
22
9010912M3500
Bolt
Loading…
↗
24
9310938M0200
Oil seal (6e5)
Loading…
↗
25
937000600400
Nipple, grease(6a1)
Loading…
↗
26
663451190000
Cap, grease nipple
Loading…
↗
27
61A821473000
Wire, lead 5
Loading…
↗
28
9046411M1800
Clamp(6e5)
Loading…
↗
29
985800400800
Screw, pan head (713)
Loading…
↗
30
6G5431440000
Hook, spring
Loading…
↗
31
970850601000
Bolt
Loading…
↗
32
6G5431810100
Lever, tilt stop 1
Loading…
↗
33
6G5431850100
Lever, tilt stop 2
Loading…
↗
34
9038610M1600
Bushing (688)
Loading…
↗
35
6G5431480000
Collar, distance
Loading…
↗
36
9024906M1900
Pin(6e5)
Loading…
↗
37
9038710M0200
Collar(6e5)
Loading…
↗
38
916903002000
Pin, spring (6h4)
Loading…
↗
39
9050614M2400
Spring, tension(6e5)
Loading…
↗
40
6E5431260200
Pin, upper shock mount
Loading…
↗
41
9038618M6300
Bush(6e5)
Loading…
↗
42
9038618M1400
Bushing (6e5)
Loading…
↗
43
9341018M0200
Circlip (6f2)
Loading…
↗
44
6E54251005EJ
Steering Bracket assembly
Loading…
↗
45
9020138M6000
Washer, plate (6e5)
Loading…
↗
46
9038638M3200
Bush(6e5)
Loading…
↗
47
6G54455100EJ
Housing, Lower Mount Rubber
Loading…
↗
48
9341037M0400
Circlip (6e5)
Loading…
↗
49
6E5445750000
Damper, lower mount rubber
Loading…
↗
50
6E5445550094
Mount damper, lower side
Loading…
↗
51
9020232M1900
Washer, plate (6e5)
Loading…
↗
52
9020116M5500
Washer, plate (6e5)
Loading…
↗
53
6E5821490000
Wire, lead 3
Loading…
↗
54
9010914M3400
Bolt(6e5)
Loading…
↗
55
9020115M5800
Washer, plate (6e5)
Loading…
↗
56
953801480000
Nut, crown (6e5)
Loading…
↗
57
929901460000
Washer (6e5)
Loading…
↗
58
6E5445520094
Housing, lower mount rubber
Loading…
↗
59
970951004500
Bolt(64d)
Loading…
↗
62
9050116M2800
Spring (6e5)
Loading…
↗
63
923800601500
Screw pan head
Loading…
↗
64
901790606600
Nut(663)
Loading…
↗
65
6E5445140000
Mount damper, upper side
Loading…
↗
66
9020126M5700
Washer, plate (6e5)
Loading…
↗
67
9020226M1800
Washer, plate (6e5)
Loading…
↗
68
9020114M5600
Washer, plate (6e5)
Loading…
↗
69
901091200700
Bolt
Loading…
↗
70
901851205800
Nut, nylon(663)
Loading…
↗
71
663445750000
Damper, lower mount rubber
Loading…
↗
72
6E544511005B
Cover, upper mount
Loading…
↗
75
9010112M0300
Bolt (l:115mm)
Loading…
↗
76
9020113M0100
Washer, plate(6e5)
Loading…
↗
77
902011242600
Washe, plate(663)
Loading…
↗
78
953801260000
Nut (707)
Loading…
↗