Yamaha Outboard Parts - Bracket - 175AETOL (1985) | Flood Marine
New Search
Parts
New Outboards
Home
175AETOL (1985)
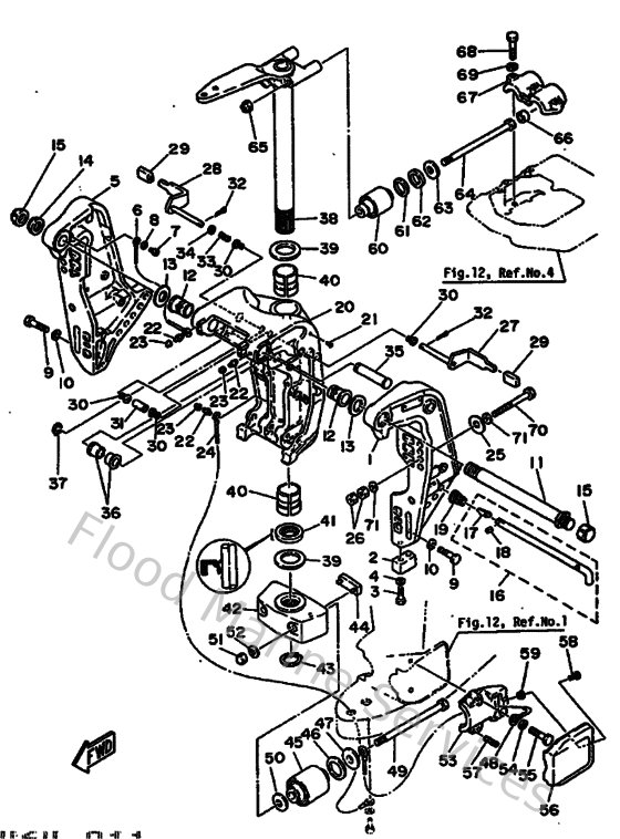
Bracket
Diagram: Bracket
Parts List
Reference
Description
Price
2
6E5452510000
Anode
Loading…
↗
3
973950602500
Bolt
Loading…
↗
4
929900660000
Washer, plain (646)
Loading…
↗
6
6E5821480000
Wire, lead 5
Loading…
↗
7
978850601200
Screw, pan head(62j)
Loading…
↗
9
973951004500
Bolt(64d)
Loading…
↗
10
929901010000
Ybs67-10 washer, spring
Loading…
↗
11
6E5431310000
Bolt, clamp bracket
Loading…
↗
12
9038625M3100
Bushing (6e5)
Loading…
↗
13
9020126M5900
Washer, plate (6e5)
Loading…
↗
14
901852200700
Nut, self-locking
Loading…
↗
15
663431450000
Cap, clamp bracket
Loading…
↗
16
6E5431600100
Tilt Rod assembly
Loading…
↗
17
688431650000
Stopper, tilt rod
Loading…
↗
18
916903001400
Pin, spring (647)
Loading…
↗
19
9050220M0300
Spring (6e5)
Loading…
↗
20
6E54331101EJ
Bracket, Swivel
Loading…
↗
21
902690301000
Rivet (663)
Loading…
↗
22
937000600400
Nipple, grease(6a1)
Loading…
↗
23
663451190000
Cap, grease nipple
Loading…
↗
24
61A821473000
Wire, lead 5
Loading…
↗
25
902011242600
Washe, plate(663)
Loading…
↗
26
953801260000
Nut (707)
Loading…
↗
27
6E5431810100
Lever, Tilt Stop (6E5-43181-00-00)
Loading…
↗
28
6E5431850000
Lever, Tilt Stop
Loading…
↗
29
663433180000
Cover
Loading…
↗
30
9038610M1600
Bushing (688)
Loading…
↗
31
9038710M3800
Coller (6e5)
Loading…
↗
32
914903002500
Pin cotter
Loading…
↗
33
9050110M2100
Spring (688)
Loading…
↗
34
929901060000
Washer, plate
Loading…
↗
35
6E5431260200
Pin, upper shock mount
Loading…
↗
36
9038618M4400
Bushing (6g5)
Loading…
↗
37
9341018M0200
Circlip (6f2)
Loading…
↗
39
9020138M6000
Washer, plate (6e5)
Loading…
↗
40
9038638M8900
Bush(6e5)
Loading…
↗
41
9310938M0200
Oil seal (6e5)
Loading…
↗
43
9341037M0400
Circlip (6e5)
Loading…
↗
44
6E5445750000
Damper, lower mount rubber
Loading…
↗
45
6G5445550094
Mount damper, lower side
Loading…
↗
46
9020232M1900
Washer, plate (6e5)
Loading…
↗
47
9020116M5500
Washer, plate (6e5)
Loading…
↗
48
6E5821490000
Wire, lead 3
Loading…
↗
49
9010914M1000
Bolt
Loading…
↗
50
9020115M5800
Washer, plate (6e5)
Loading…
↗
51
953801480000
Nut, crown (6e5)
Loading…
↗
52
929901460000
Washer (6e5)
Loading…
↗
53
6E54455200EJ
Housing, lower mount rubber
Loading…
↗
55
970951004500
Bolt(64d)
Loading…
↗
57
9050116M2800
Spring (6e5)
Loading…
↗
58
923800601500
Screw pan head
Loading…
↗
59
901790606600
Nut(663)
Loading…
↗
60
6G5445140000
Mount damper, upper side
Loading…
↗
61
9020126M5700
Washer, plate (6e5)
Loading…
↗
62
9020226M1800
Washer, plate (6e5)
Loading…
↗
63
9020114M5600
Washer, plate (6e5)
Loading…
↗
64
901091200700
Bolt
Loading…
↗
65
901851205800
Nut, nylon(663)
Loading…
↗
66
663445750000
Damper, lower mount rubber
Loading…
↗
67
6E54451100EJ
Cover, upper mount
Loading…
↗
70
9010112M6500
Bolt
Loading…
↗
71
929901220000
Ybs66-12 washer,plain
Loading…
↗