Yamaha Outboard Parts - Bracket - 25DMH (1985) | Flood Marine
New Search
Parts
New Outboards
Home
25DMH (1985)
Bracket
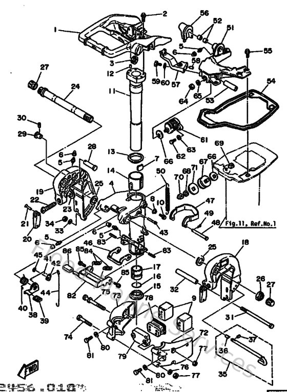
Diagram: Bracket
Parts List
Reference
Description
Price
2
9010506M0700
Bolt (689)
Loading…
↗
3
904802904500
Grommet 648425510000
Loading…
↗
5
937000600400
Nipple, grease(6a1)
Loading…
↗
6
663451190000
Cap, grease nipple
Loading…
↗
7
648425280000
Plate, friction
Loading…
↗
8
689433730100
Seal, damper
Loading…
↗
9
689445550000
Mount damper, lower side
Loading…
↗
10
9010506M1800
Bolt (689)
Loading…
↗
11
689425210094
Shaft, steering pivot
Loading…
↗
12
936081206300
Pin, dowel (626)
Loading…
↗
13
902094701600
Washer 648425350000
Loading…
↗
14
9038647M2200
Bushing (695)
Loading…
↗
15
903863802200
Bush(648-42539-00)
Loading…
↗
16
9321037M6700
O-ring (6g8)
Loading…
↗
17
903863809000
Bushing (664)
Loading…
↗
18
6894311101EJ
Bracket, Clamp
Loading…
↗
19
6894311201EJ
Bracket, Clamp
Loading…
↗
20
6164311800EJ
Handle, transom clamp
Loading…
↗
21
9024304M0000
Pin(6a9)
Loading…
↗
22
901491403000
Screw, transom clamp
Loading…
↗
23
648431140100
Pad, transom clamp
Loading…
↗
24
689431310000
Bolt, Clamp Bracket
Loading…
↗
25
9020122M0300
Washer, plate(64j)
Loading…
↗
26
901852204300
Nut, self-locking
Loading…
↗
27
663431450000
Cap, clamp bracket
Loading…
↗
28
689431910000
Shaft, stopper
Loading…
↗
29
689431920100
Knob, stopper
Loading…
↗
30
916903001600
Pin, spring
Loading…
↗
31
901010833900
Bolt, hexagon (656)
Loading…
↗
32
903870907400
Collar
Loading…
↗
33
929900860000
Washer, plain (663)
Loading…
↗
34
953800860000
Nut (661)
Loading…
↗
35
689431600000
Tilt rod assembly
Loading…
↗
36
656431650100
Plate, tilt lock
Loading…
↗
37
916903000800
Pin. spring(656)
Loading…
↗
38
689436310000
Lever, tilt 1
Loading…
↗
39
689436330000
Cover, tilt lever
Loading…
↗
40
689436430000
Spring, torsion
Loading…
↗
41
689436160000
Rod, tilt lock 1
Loading…
↗
42
648436420000
Lever,tilt 2
Loading…
↗
43
9024906M1000
Pin(6a9)
Loading…
↗
44
648436170000
Rod, tilt lock 2
Loading…
↗
45
990800560000
Circlip(22k)
Loading…
↗
46
689436140000
Plate, tilt lock
Loading…
↗
47
648436150000
Plate, tilt lock 2
Loading…
↗
48
902400504600
Pin With Hole (656)
Loading…
↗
49
914901601000
Pin, cotter
Loading…
↗
50
9050630M2700
Spring, tension(6a4)
Loading…
↗
51
64844518019M
Bracket comp.
Loading…
↗
52
903801201200
Bush Solid 648441220000
Loading…
↗
53
9038710M3900
Coller (689)
Loading…
↗
54
689427160000
Rubber, Seal 1
Loading…
↗
55
9010506M0800
Bolt (689)
Loading…
↗
56
689427180000
Rubber, seal 3
Loading…
↗
57
648445190094
Bracket
Loading…
↗
58
936061201900
Pin, dowel (614)
Loading…
↗
59
973950601800
Bolt (fj0)
Loading…
↗
60
929900660000
Washer, plain (646)
Loading…
↗
61
689445160000
Mount damper, upper front
Loading…
↗
64
928801020000
Nut(624)
Loading…
↗
65
929901020000
958-69527-00 washer, plain
Loading…
↗
66
648445910000
Gasket
Loading…
↗
67
664445140000
Mount damper, upper side
Loading…
↗
70
928901070000
Nut, crown (650)
Loading…
↗
71
66444591A000
Gasket
Loading…
↗
74
973950806500
Bolt (gk02)
Loading…
↗
75
9011908M0300
Bolt (689)
Loading…
↗
78
689445570000
Mount damper, lower front
Loading…
↗
79
689445530094
Cover, lower mount
Loading…
↗
81
973750802500
Bolt (62g)
Loading…
↗
82
689436810100
Lever, shallow water drive 1
Loading…
↗
83
916904003500
Pin, spring (689)
Loading…
↗
84
9050616M1700
Spring, tension (689)
Loading…
↗
85
9010906M1800
Bolt (689)
Loading…
↗
86
682433180100
Cover
Loading…
↗
92
973950602000
Bolt(7u8)
Loading…
↗