Yamaha Outboard Parts - Bracket 1 - 115CETOL (1992) | Flood Marine
New Search
Parts
New Outboards
Home
115CETOL (1992)
Bracket 1
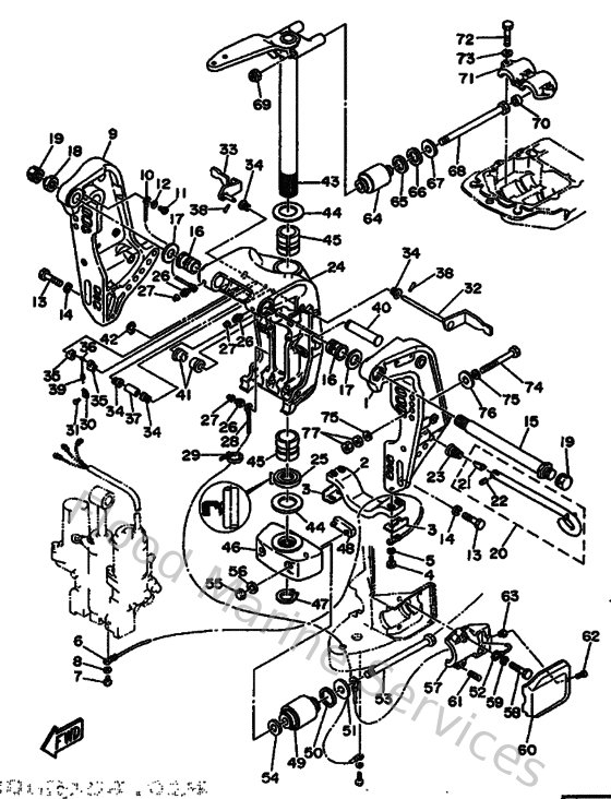
Diagram: Bracket 1
Parts List
Reference
Description
Price
2
6G5452510100
Anode
Loading…
↗
3
6G5445260000
Plate
Loading…
↗
4
973950603000
Bolt(jf7)
Loading…
↗
5
929950610000
Washer(6a1)
Loading…
↗
6
6E5821480000
Wire, lead 5
Loading…
↗
7
973950601000
Bolt
Loading…
↗
8
929900660000
Washer, plain (646)
Loading…
↗
11
978850601200
Screw, pan head(62j)
Loading…
↗
13
973951004500
Bolt(64d)
Loading…
↗
14
929901010000
Ybs67-10 washer, spring
Loading…
↗
15
6R3431310000
Bolt, clamp bracket
Loading…
↗
16
9038625M3100
Bushing (6e5)
Loading…
↗
17
9020126M5900
Washer, plate (6e5)
Loading…
↗
18
901852204300
Nut, self-locking
Loading…
↗
19
6G5431450100
Cap, clamp bracket
Loading…
↗
20
6E5431600000
Tilt rod ass'y
Loading…
↗
21
688431650000
Stopper, tilt rod
Loading…
↗
22
916903001400
Pin, spring (647)
Loading…
↗
23
9050220M0300
Spring (6e5)
Loading…
↗
25
9310938M0200
Oil seal (6e5)
Loading…
↗
26
9370006M0300
Nipple, grease(6a1)
Loading…
↗
27
663451190000
Cap, grease nipple
Loading…
↗
28
6E5821470000
Wire, lead 5
Loading…
↗
29
80L263970000
Band
Loading…
↗
30
6G5431440000
Hook, spring
Loading…
↗
32
61U431810000
Lever, tilt stop 1
Loading…
↗
33
61U431850000
Lever, tilt stop 2
Loading…
↗
34
9038610M1600
Bushing (688)
Loading…
↗
35
6G5431480000
Collar, distance
Loading…
↗
36
9024906M1900
Pin(6e5)
Loading…
↗
37
9038710M0500
Collar(6e5)
Loading…
↗
38
916903002000
Pin, spring (6h4)
Loading…
↗
39
9050614M2400
Spring, tension(6e5)
Loading…
↗
40
6E5431260200
Pin, upper shock mount
Loading…
↗
41
9038618M4400
Bushing (6g5)
Loading…
↗
42
9341018M0200
Circlip (6f2)
Loading…
↗
43
6E54251003EJ
Steering Bracket assembly
Loading…
↗
44
9020138M6000
Washer, plate (6e5)
Loading…
↗
45
9038638M3200
Bush(6e5)
Loading…
↗
46
6G54455100EJ
Housing, Lower Mount Rubber
Loading…
↗
47
9341037M0400
Circlip (6e5)
Loading…
↗
48
6E5445750000
Damper, lower mount rubber
Loading…
↗
49
6E5445550094
Mount damper, lower side
Loading…
↗
50
9020232M1900
Washer, plate (6e5)
Loading…
↗
51
9020116M5500
Washer, plate (6e5)
Loading…
↗
52
6E5821490000
Wire, lead 3
Loading…
↗
53
9010914M3400
Bolt(6e5)
Loading…
↗
54
9020115M5800
Washer, plate (6e5)
Loading…
↗
55
953801480000
Nut, crown (6e5)
Loading…
↗
56
929901460000
Washer (6e5)
Loading…
↗
57
6E5445520094
Housing, lower mount rubber
Loading…
↗
58
970951004500
Bolt(64d)
Loading…
↗
61
9050116M2800
Spring (6e5)
Loading…
↗
62
923800601500
Screw pan head
Loading…
↗
63
901790606600
Nut(663)
Loading…
↗
64
6E5445140094
Mount damper, upper side
Loading…
↗
65
9020126M5700
Washer, plate (6e5)
Loading…
↗
67
9020114M5600
Washer, plate (6e5)
Loading…
↗
68
901091200700
Bolt
Loading…
↗
70
663445750000
Damper, lower mount rubber
Loading…
↗
71
6E544511005B
Cover, upper mount
Loading…
↗
74
9010112M0300
Bolt (l:115mm)
Loading…
↗
75
9020113M0100
Washer, plate(6e5)
Loading…
↗
76
902011242600
Washe, plate(663)
Loading…
↗
77
953801260000
Nut (707)
Loading…
↗