Yamaha Outboard Parts - Bracket 1 - 150FETOL (2001) | Flood Marine

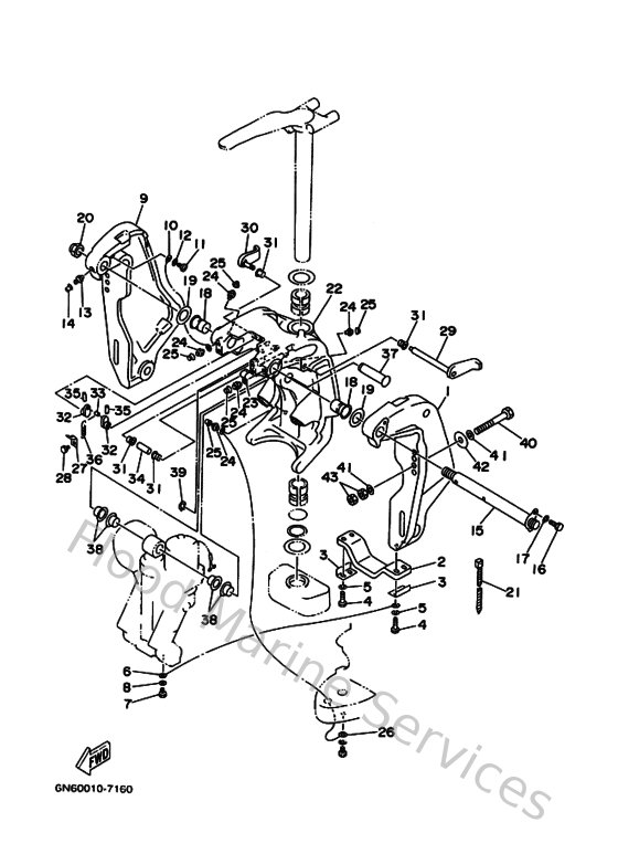
Diagram: Bracket 1

Diagram

Parts List

Reference
Description
Price