Yamaha Outboard Parts - Bracket 1 - 55BM (1996) | Flood Marine
New Search
Parts
New Outboards
Home
55BM (1996)
Bracket 1
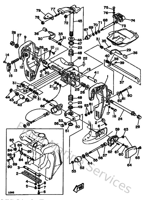
Diagram: Bracket 1
Parts List
Reference
Description
Price
1
69743111054D
Bracket, clamp
Loading…
↗
2
6H1452510200
Anode
Loading…
↗
3
6H1445260000
Plate 2
Loading…
↗
4
9020106M3100
Washer (6a0)
Loading…
↗
5
970800601200
Bolt(gh1)
Loading…
↗
6
921800602500
Screw, countersunk
Loading…
↗
7
929950610000
Washer(6a1)
Loading…
↗
8
929900660000
Washer, plain (646)
Loading…
↗
9
68843112128D
Bracket, clamp 2
Loading…
↗
10
6E5821480000
Wire, lead 5
Loading…
↗
11
985800601200
Screw, pan head(62j)
Loading…
↗
12
648431140100
Pad, transom clamp
Loading…
↗
13
663431160100
Screw, transom
Loading…
↗
14
902430400700
Pin (663)
Loading…
↗
15
66343118018D
Handle, transom clamp
Loading…
↗
16
970951004500
Bolt(64d)
Loading…
↗
17
929901010000
Ybs67-10 washer, spring
Loading…
↗
18
69743311034D
Bracket, swivel
Loading…
↗
19
902690301000
Rivet (663)
Loading…
↗
20
9370006M0300
Nipple, grease(6a1)
Loading…
↗
21
663451190000
Cap, grease nipple
Loading…
↗
23
9321029M9400
O-ring(6h1)
Loading…
↗
24
688431310300
Bolt, clamp bracket
Loading…
↗
25
9038622M1500
Bushing (688)
Loading…
↗
26
9020122M6700
Washer, plate (688)
Loading…
↗
27
9018522M1100
Nut, self-locking
Loading…
↗
28
6G5431450100
Cap, clamp bracket
Loading…
↗
29
688431810400
Lever, tilt stop 1
Loading…
↗
30
688431850400
Lever, tilt stop 2
Loading…
↗
31
9038610M1600
Bushing (688)
Loading…
↗
32
929901060000
Washer, plate
Loading…
↗
33
9050110M2100
Spring (688)
Loading…
↗
34
9038710M3800
Coller (6e5)
Loading…
↗
35
914903003000
Pin, cotter
Loading…
↗
36
663433180000
Cover
Loading…
↗
37
697431600000
Tilt lock ass'y
Loading…
↗
38
688431650000
Stopper, tilt rod
Loading…
↗
39
916903001200
Pin, spring
Loading…
↗
40
9050216M0200
Spring, conical (688)
Loading…
↗
41
6E5431260200
Pin, upper shock mount
Loading…
↗
42
9038618M2100
Bushing (688)
Loading…
↗
43
9038618M3500
Bush (688)
Loading…
↗
44
9341018M0200
Circlip (6f2)
Loading…
↗
45
66342510144D
Steering bracket assembly
Loading…
↗
46
9020120M0000
Washer, plate(6g8)
Loading…
↗
47
9038630M7800
Bush(6h0)
Loading…
↗
48
9038630M7700
Bush(6h0)
Loading…
↗
49
9038630M6000
Bush(6j8)
Loading…
↗
51
9341028M0600
Circlip (688)
Loading…
↗
52
687445550000
Mount damper, lower side
Loading…
↗
53
9020112M1600
Washer, plate (679)
Loading…
↗
54
9020225M0400
Washer, plate (663)
Loading…
↗
55
9020113M1900
Washer, plate (663)
Loading…
↗
56
901091226100
Bolt(663)
Loading…
↗
57
663445750000
Damper, lower mount rubber
Loading…
↗
58
953801280000
Nut crown(663)
Loading…
↗
59
687445520200
Housing, lower mount rubber
Loading…
↗
60
970950802500
Bolt (62g)
Loading…
↗
61
929900810000
Ybs67-8 washer, spring
Loading…
↗
62
9050114M0800
Spring, compression(64j)
Loading…
↗
63
901790606600
Nut(663)
Loading…
↗
64
66344553014D
Cover, lower mount
Loading…
↗
65
901570600900
Screw, pan head(6b0)
Loading…
↗
66
697821270100
Wire, lead 2
Loading…
↗
67
670445140094
Mount damper, upper side
Loading…
↗
68
901090826200
Bolt(663)
Loading…
↗
69
902011542300
Washer, plate(663)
Loading…
↗
70
902021506500
Washer, plate (663)
Loading…
↗
71
902010942500
Washer, plate (663)
Loading…
↗
72
901850804500
Nut, self-locking
Loading…
↗
73
663445330000
Damper, upper mount
Loading…
↗
74
663445110094
Cover, upper mount
Loading…
↗
75
970950803500
Bolt(70w)
Loading…
↗
77
901161017500
Bolt, stud
Loading…
↗
78
901851005100
Nut, self-locking
Loading…
↗
79
688485115200
Hook, steering
Loading…
↗
80
9010112M5100
Bolt
Loading…
↗
81
929901220000
Ybs66-12 washer,plain
Loading…
↗
82
902011242600
Washe, plate(663)
Loading…
↗
83
953801260000
Nut (707)
Loading…
↗
84
6G5431480000
Collar, distance
Loading…
↗
85
916903002000
Pin, spring (6h4)
Loading…
↗
86
9024906M1900
Pin(6e5)
Loading…
↗
87
9038710M0200
Collar(6e5)
Loading…
↗
88
9050614M2400
Spring, tension(6e5)
Loading…
↗
89
6G5431440000
Hook, spring
Loading…
↗
90
970950601000
Bolt
Loading…
↗