Yamaha Outboard Parts - Bracket 1 - 60FETO (1990) | Flood Marine
New Search
Parts
New Outboards
Home
60FETO (1990)
Bracket 1
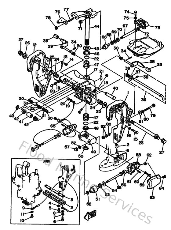
Diagram: Bracket 1
Parts List
Reference
Description
Price
2
663452510000
Anode
Loading…
↗
3
6H1445260000
Plate 2
Loading…
↗
4
9020106M3100
Washer (6a0)
Loading…
↗
5
970800601200
Bolt(gh1)
Loading…
↗
6
921800602500
Screw, countersunk
Loading…
↗
7
929900610000
Washer(6a1)
Loading…
↗
8
929900660000
Washer, plain (646)
Loading…
↗
9
6H1821480000
Wire, lead
Loading…
↗
10
973950601000
Bolt
Loading…
↗
12
6974311203EJ
Bracket, Clamp
Loading…
↗
13
6E5821480000
Wire, lead 5
Loading…
↗
14
925800601200
Screw, pan head(62j)
Loading…
↗
15
973951004500
Bolt(64d)
Loading…
↗
16
929901010000
Ybs67-10 washer, spring
Loading…
↗
17
6974331103EJ
Bracket, Swivel
Loading…
↗
18
902690301000
Rivet (663)
Loading…
↗
19
937000600400
Nipple, grease(6a1)
Loading…
↗
20
663451190000
Cap, grease nipple
Loading…
↗
22
9321029M9400
O-ring(6h1)
Loading…
↗
23
688431310300
Bolt, clamp bracket
Loading…
↗
24
9038622M1500
Bushing (688)
Loading…
↗
25
9020122M6700
Washer, plate (688)
Loading…
↗
26
901852204300
Nut, self-locking
Loading…
↗
27
663431450000
Cap, clamp bracket
Loading…
↗
28
688431810300
Lever, tilt stop 1
Loading…
↗
29
688431850400
Lever, tilt stop 2
Loading…
↗
30
9038610M1600
Bushing (688)
Loading…
↗
31
929901060000
Washer, plate
Loading…
↗
32
9050110M2100
Spring (688)
Loading…
↗
33
9038710M3800
Coller (6e5)
Loading…
↗
34
914903003000
Pin, cotter
Loading…
↗
35
663433180000
Cover
Loading…
↗
36
688431600100
Tilt rod ass'y
Loading…
↗
37
688431650000
Stopper, tilt rod
Loading…
↗
38
916903001200
Pin, spring
Loading…
↗
39
9050220M0300
Spring (6e5)
Loading…
↗
40
6E5431260200
Pin, upper shock mount
Loading…
↗
41
9038618M2100
Bushing (688)
Loading…
↗
42
9038618M3500
Bush (688)
Loading…
↗
43
9341018M0200
Circlip (6f2)
Loading…
↗
45
9020130M0000
Washer, plate(6h1)
Loading…
↗
46
9038630M7800
Bush(6h0)
Loading…
↗
47
9038630M7700
Bush(6h0)
Loading…
↗
48
9038630M6000
Bush(6j8)
Loading…
↗
50
9341028M0600
Circlip (688)
Loading…
↗
51
687445550000
Mount damper, lower side
Loading…
↗
52
9020112M1600
Washer, plate (679)
Loading…
↗
53
9020225M0400
Washer, plate (663)
Loading…
↗
56
663445750000
Damper, lower mount rubber
Loading…
↗
57
953801280000
Nut crown(663)
Loading…
↗
58
6H3445520194
Housing, lower mount rubber
Loading…
↗
59
973950802500
Bolt (62g)
Loading…
↗
60
929900810000
Ybs67-8 washer, spring
Loading…
↗
61
9050114M0800
Spring, compression(64j)
Loading…
↗
62
901790606600
Nut(663)
Loading…
↗
64
923800601500
Screw pan head
Loading…
↗
65
697821270100
Wire, lead 2
Loading…
↗
66
688445140000
Mount damper, upper side
Loading…
↗
67
9010110M4900
Bolt
Loading…
↗
68
9020120M2100
Washer, plate (688)
Loading…
↗
69
9020220M0600
Washer, plate (688)
Loading…
↗
70
9020111M2200
Washer, plate (688)
Loading…
↗
71
901851002700
Nut, self-locking
Loading…
↗
73
688445110094
Cover, upper mount
Loading…
↗
74
970900803500
Bolt(70w)
Loading…
↗
76
6884851100EJ
Hook, steering
Loading…
↗
77
901161017500
Bolt, stud
Loading…
↗
79
9010112M6500
Bolt
Loading…
↗
80
929951220000
Ybs66-12 washer,plain
Loading…
↗
81
902011242600
Washe, plate(663)
Loading…
↗
82
953801260000
Nut (707)
Loading…
↗