Yamaha Outboard Parts - Bracket 1 - 6DMH (2001) | Flood Marine
New Search
Parts
New Outboards
Home
6DMH (2001)
Bracket 1
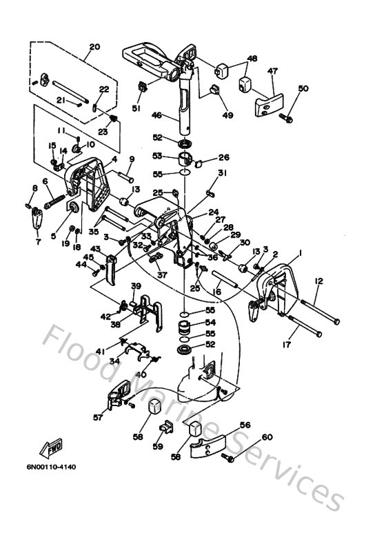
Diagram: Bracket 1
Parts List
Reference
Description
Price
1
6M8G3111024D
Bracket, clamp 1
Loading…
↗
2
6E5821480000
Wire, lead 5
Loading…
↗
3
978850600800
Screw, pan head(6a3)
Loading…
↗
4
6M8G3112014D
Bracket, clamp 2
Loading…
↗
5
620431140000
Pad, transom clamp
Loading…
↗
6
6N0G31160000
Screw, transom clamp.
Loading…
↗
7
6EEG31180000
Handle, transom cl
Loading…
↗
8
9024304M0100
Pin(6a1)
Loading…
↗
9
689431910000
Shaft, stopper
Loading…
↗
10
689431920100
Knob, stopper
Loading…
↗
11
916903001600
Pin, spring
Loading…
↗
12
901010886900
Bolt(6h6)
Loading…
↗
13
6N0G31360000
Piece, friction
Loading…
↗
14
6A1431130100
Plate, clamp bracket
Loading…
↗
15
957800830000
Nut, nylon (6j8)
Loading…
↗
16
9038706M1300
Collar(6h6)
Loading…
↗
17
970950613500
Bolt(6g1)
Loading…
↗
18
929900660000
Washer, plain (646)
Loading…
↗
19
953800660000
Nut(661)
Loading…
↗
20
6GH431600000
Tilt rod assembly
Loading…
↗
21
916903001800
926-51502-00 pin, spring (700)
Loading…
↗
22
6N0G31650000
Plate, tilt lock
Loading…
↗
23
9050210M0600
Spring, conical(6g1)
Loading…
↗
24
6N0G3311104D
Bracket, swivel 1
Loading…
↗
25
9370006M0300
Nipple, grease(6a1)
Loading…
↗
26
6G1425280000
Piece, friction
Loading…
↗
27
9050118M0000
Spring, compression (676)
Loading…
↗
28
929900860000
Washer, plain (663)
Loading…
↗
29
6G1433730000
Seal, damper
Loading…
↗
30
6G1425290000
Screw, friction piece
Loading…
↗
31
6G1445320100
Stopper, upper mount
Loading…
↗
32
970950601000
Bolt
Loading…
↗
33
929950660000
Washer, plain (646)
Loading…
↗
34
6N0G36140000
Plate, tilt lock
Loading…
↗
35
6G1436590000
Shaft, reverse lock
Loading…
↗
36
934300502700
Circlip(22k)
Loading…
↗
37
6G1436150200
Plate, tilt lock
Loading…
↗
38
6G1436810000
Lever, shallow water drive
Loading…
↗
39
6G1433180100
Cover
Loading…
↗
40
9050810M1500
Spring, torsion (6g1)
Loading…
↗
41
9050810M1600
Spring, torsion (6g1)
Loading…
↗
42
9050814M1700
Spring, torsion (6g1)
Loading…
↗
43
6N0G27310000
Carrying handle
Loading…
↗
44
970950801600
Bolt, hexagon deep recess
Loading…
↗
46
6M8G2511004D
Bracket, steering
Loading…
↗
47
6G144511004D
Cover, upper mount
Loading…
↗
48
6GH445140000
Mount damper, upper side
Loading…
↗
49
6G1445160000
Mount damper, upper front
Loading…
↗
50
958950603500
Bolt, flange(4nx)
Loading…
↗
51
6G1425510000
Grommet
Loading…
↗
52
6G1425350000
Washer, thrust 1
Loading…
↗
53
6G1425370000
Bushing, pivot shaft
Loading…
↗
54
6G1425380100
Bushing, pivot shaft
Loading…
↗
55
9321030M3100
O-ring (6a5)
Loading…
↗
56
6N0G4551004D
Housing, lower mount rubber 1
Loading…
↗
57
6N0G4552004D
Housing, lower mount rubber 2
Loading…
↗
58
6N0G4555A000
Mount damper, lower side
Loading…
↗
59
6N0G4557A000
Mount damper, lower front
Loading…
↗