Yamaha Outboard Parts - Bracket 1 - 90AETOL (1992) | Flood Marine
New Search
Parts
New Outboards
Home
90AETOL (1992)
Bracket 1
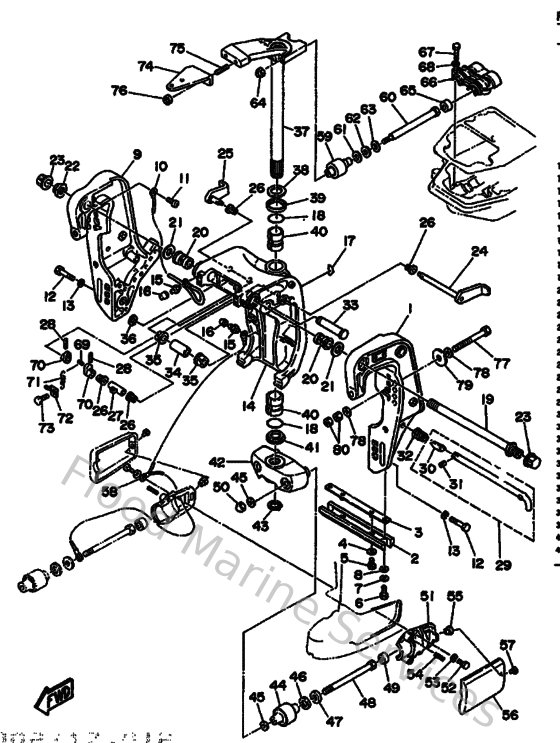
Diagram: Bracket 1
Parts List
Reference
Description
Price
2
6H1452510200
Anode
Loading…
↗
3
6H1445260000
Plate 2
Loading…
↗
4
9020106M3100
Washer (6a0)
Loading…
↗
5
973950601200
Bolt(gh1)
Loading…
↗
6
970950601600
Bolt, hexagon deep recess
Loading…
↗
7
929900610000
Washer(6a1)
Loading…
↗
8
929900660000
Washer, plain (646)
Loading…
↗
9
6884311212EJ
Bracket, Clamp
Loading…
↗
10
6E5821480000
Wire, lead 5
Loading…
↗
11
978850601200
Screw, pan head(62j)
Loading…
↗
12
973951004500
Bolt(64d)
Loading…
↗
13
929901010000
Ybs67-10 washer, spring
Loading…
↗
14
6H14331101EJ
Bracket, Swivel 1
Loading…
↗
15
9370006M0300
Nipple, grease(6a1)
Loading…
↗
16
663451190000
Cap, grease nipple
Loading…
↗
18
9321029M9400
O-ring(6h1)
Loading…
↗
19
688431310300
Bolt, clamp bracket
Loading…
↗
20
9038622M1500
Bushing (688)
Loading…
↗
21
9020122M6700
Washer, plate (688)
Loading…
↗
22
901852200700
Nut, self-locking
Loading…
↗
23
6G5431450000
Cap, clamp bracket
Loading…
↗
24
6H1431810100
Lever, tilt stop 1
Loading…
↗
25
6H1431850100
Lever, tilt stop 2
Loading…
↗
26
9038610M1600
Bushing (688)
Loading…
↗
27
9038710M0200
Collar(6e5)
Loading…
↗
28
916903002000
Pin, spring (6h4)
Loading…
↗
29
688431600100
Tilt rod ass'y
Loading…
↗
30
688431650000
Stopper, tilt rod
Loading…
↗
31
916903001200
Pin, spring
Loading…
↗
32
9050216M0200
Spring, conical (688)
Loading…
↗
33
6E5431260200
Pin, upper shock mount
Loading…
↗
34
9038618M2100
Bushing (688)
Loading…
↗
35
9038618M3500
Bush (688)
Loading…
↗
36
9341018M0200
Circlip (6f2)
Loading…
↗
37
6884251001EJ
Steering bracket assembly
Loading…
↗
38
9020130M0000
Washer, plate(6h1)
Loading…
↗
39
9038630M7800
Bush(6h0)
Loading…
↗
40
9038630M7700
Bush(6h0)
Loading…
↗
41
9038630M6000
Bush(6j8)
Loading…
↗
42
6634455101EJ
Housing, Lwr, Mount
Loading…
↗
43
9341028M0600
Circlip (688)
Loading…
↗
44
687445550000
Mount damper, lower side
Loading…
↗
45
9020112M1600
Washer, plate (679)
Loading…
↗
46
9020225M0400
Washer, plate (663)
Loading…
↗
47
9020113M1900
Washer, plate (663)
Loading…
↗
48
901091226100
Bolt(663)
Loading…
↗
49
663445750000
Damper, lower mount rubber
Loading…
↗
50
953801280000
Nut crown(663)
Loading…
↗
51
687445520200
Housing, lower mount rubber
Loading…
↗
52
973950802500
Bolt (62g)
Loading…
↗
53
929900810000
Ybs67-8 washer, spring
Loading…
↗
54
9050114M0800
Spring, compression(64j)
Loading…
↗
55
901790606600
Nut(663)
Loading…
↗
57
923800601500
Screw pan head
Loading…
↗
58
688821270200
Wire, lead 2
Loading…
↗
59
688445140000
Mount damper, upper side
Loading…
↗
60
9010110M4900
Bolt
Loading…
↗
61
9020120M2100
Washer, plate (688)
Loading…
↗
62
9020220M0600
Washer, plate (688)
Loading…
↗
63
9020111M2200
Washer, plate (688)
Loading…
↗
64
901851002700
Nut, self-locking
Loading…
↗
66
688445110094
Cover, upper mount
Loading…
↗
67
970900803500
Bolt(70w)
Loading…
↗
69
9024906M1900
Pin(6e5)
Loading…
↗
70
6G5431480000
Collar, distance
Loading…
↗
71
9050614M2400
Spring, tension(6e5)
Loading…
↗
72
6G5431440000
Hook, spring
Loading…
↗
73
973950601000
Bolt
Loading…
↗
74
688485111200
Hook, steering
Loading…
↗
75
901161017500
Bolt, stud
Loading…
↗
77
9010112M6500
Bolt
Loading…
↗
78
929951220000
Ybs66-12 washer,plain
Loading…
↗
79
902011242600
Washe, plate(663)
Loading…
↗
80
953801260000
Nut (707)
Loading…
↗