Yamaha Outboard Parts - Bracket 1 - F80AET (2001) | Flood Marine
New Search
Parts
New Outboards
Home
F80AET (2001)
Bracket 1
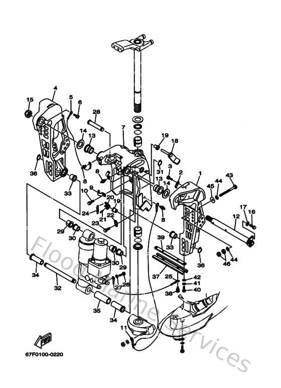
Diagram: Bracket 1
Parts List
Reference
Description
Price
1
67F43111004D
Bracket, clamp 1
Loading…
↗
2
9046510M7700
Clamp
Loading…
↗
3
970950601000
Bolt
Loading…
↗
4
67F43112004D
Bracket, clamp 2
Loading…
↗
5
6E5821480000
Wire, lead 5
Loading…
↗
6
978800601200
Screw, pan head(62j)
Loading…
↗
7
67F43311104D
Bracket, Swivel 1
Loading…
↗
8
9370006M0300
Nipple, grease(6a1)
Loading…
↗
9
9046508M6300
Clamp(61u)
Loading…
↗
10
970850601000
Bolt
Loading…
↗
11
67F821270000
Wire, lead 2
Loading…
↗
12
64E431310100
Bolt, clamp bracket
Loading…
↗
13
9038625M3100
Bushing (6e5)
Loading…
↗
14
9020126M5900
Washer, plate (6e5)
Loading…
↗
15
9018522M1100
Nut, self-locking
Loading…
↗
16
970950802000
Bolt, hexagon
Loading…
↗
17
929900810000
Ybs67-8 washer, spring
Loading…
↗
18
67F431810000
Lever, tilt stop 1
Loading…
↗
19
9038610M1600
Bushing (688)
Loading…
↗
20
67F436310000
Lever, tilt
Loading…
↗
21
916903002000
Pin, spring (6h4)
Loading…
↗
22
66T431440000
Hook, spring
Loading…
↗
24
9050614M2400
Spring, tension(6e5)
Loading…
↗
25
67F821480000
Wire, lead 4
Loading…
↗
27
929950660000
Washer, plain (646)
Loading…
↗
28
6D8431260000
Pin, upper shock mount
Loading…
↗
29
9038618M3500
Bush (688)
Loading…
↗
30
9038618M6300
Bush(6e5)
Loading…
↗
31
9341018M0500
Circlip (6f2)
Loading…
↗
32
67F438180000
Pin, lower shock mount
Loading…
↗
33
9038718M0100
Collar
Loading…
↗
34
9038618MA000
Bush
Loading…
↗
35
9038722M0100
Collar
Loading…
↗
37
6H1452510300
Anode
Loading…
↗
38
9011906M8100
Bolt, with washer
Loading…
↗
39
6H1445260000
Plate 2
Loading…
↗
40
970950601600
Bolt, hexagon deep recess
Loading…
↗
41
929950610000
Washer(6a1)
Loading…
↗
42
929900660000
Washer, plain (646)
Loading…
↗
43
9010112M0300
Bolt (l:115mm)
Loading…
↗
44
9020113M0100
Washer, plate(6e5)
Loading…
↗
45
9020112M0500
Washe, plate(663)
Loading…
↗
46
953801260000
Nut (707)
Loading…
↗