Yamaha Outboard Parts - Bracket 1 - L130BETOL (1993) | Flood Marine
New Search
Parts
New Outboards
Home
L130BETOL (1993)
Bracket 1
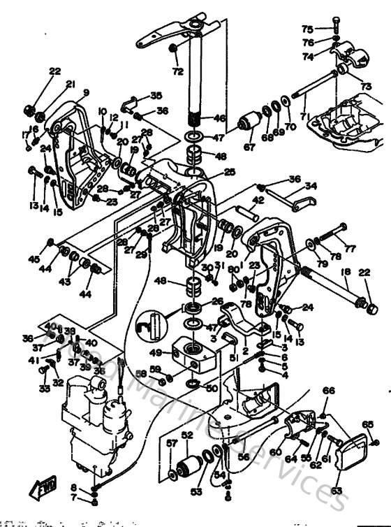
Diagram: Bracket 1
Parts List
Reference
Description
Price
2
6G5452510100
Anode
Loading…
↗
3
6G5445260000
Plate
Loading…
↗
4
973950603000
Bolt(jf7)
Loading…
↗
5
929950610000
Washer(6a1)
Loading…
↗
6
6E5821480000
Wire, lead 5
Loading…
↗
7
973950601000
Bolt
Loading…
↗
8
929900660000
Washer, plain (646)
Loading…
↗
11
978850601200
Screw, pan head(62j)
Loading…
↗
13
973951005000
Bolt, hexagon deep recess
Loading…
↗
14
929901010000
Ybs67-10 washer, spring
Loading…
↗
15
929901060000
Washer, plate
Loading…
↗
16
9370006M0300
Nipple, grease(6a1)
Loading…
↗
17
663451190000
Cap, grease nipple
Loading…
↗
18
6E5431310200
Bolt, clamp bracket
Loading…
↗
19
9038625M3100
Bushing (6e5)
Loading…
↗
20
9020126M5900
Washer, plate (6e5)
Loading…
↗
21
901852204300
Nut, self-locking
Loading…
↗
22
6G5431450000
Cap, clamp bracket
Loading…
↗
23
6G5431640000
Rod, Tilt Lock
Loading…
↗
24
9010912M3500
Bolt
Loading…
↗
26
9310938M0200
Oil seal (6e5)
Loading…
↗
29
6E5821472000
Wire, lead 5
Loading…
↗
30
9046411M1800
Clamp(6e5)
Loading…
↗
31
985800400800
Screw, pan head (713)
Loading…
↗
32
6G5431440000
Hook, spring
Loading…
↗
34
6G5431810200
Lever, tilt stop 1
Loading…
↗
35
6G5431850200
Lever, tilt stop 2
Loading…
↗
36
9038610M1600
Bushing (688)
Loading…
↗
37
6G5431480000
Collar, distance
Loading…
↗
38
9024906M1900
Pin(6e5)
Loading…
↗
39
9038710M0200
Collar(6e5)
Loading…
↗
40
916903002000
Pin, spring (6h4)
Loading…
↗
41
9050614M2400
Spring, tension(6e5)
Loading…
↗
42
6E5431260200
Pin, upper shock mount
Loading…
↗
43
9038618M6300
Bush(6e5)
Loading…
↗
44
9038618M1400
Bushing (6e5)
Loading…
↗
45
9341018M0200
Circlip (6f2)
Loading…
↗
47
9020138M6000
Washer, plate (6e5)
Loading…
↗
48
9038638M8900
Bush(6e5)
Loading…
↗
49
6G54455100EJ
Housing, Lower Mount Rubber
Loading…
↗
50
9341037M0400
Circlip (6e5)
Loading…
↗
51
6E5445750000
Damper, lower mount rubber
Loading…
↗
52
6E5445550000
Mount damper, lower side
Loading…
↗
53
9020232M1900
Washer, plate (6e5)
Loading…
↗
54
9020116M5500
Washer, plate (6e5)
Loading…
↗
55
6E5821490000
Wire, lead 3
Loading…
↗
56
9010914M3400
Bolt(6e5)
Loading…
↗
57
9020115M5800
Washer, plate (6e5)
Loading…
↗
58
953801480000
Nut, crown (6e5)
Loading…
↗
59
929901460000
Washer (6e5)
Loading…
↗
60
6E5445520094
Housing, lower mount rubber
Loading…
↗
61
970951004500
Bolt(64d)
Loading…
↗
64
9050116M2800
Spring (6e5)
Loading…
↗
65
923900601500
Screw pan head
Loading…
↗
66
901790606600
Nut(663)
Loading…
↗
67
6E5445140000
Mount damper, upper side
Loading…
↗
68
9020126M5700
Washer, plate (6e5)
Loading…
↗
69
9020226M1800
Washer, plate (6e5)
Loading…
↗
70
9020114M5600
Washer, plate (6e5)
Loading…
↗
71
901091200700
Bolt
Loading…
↗
72
901851205800
Nut, nylon(663)
Loading…
↗
73
663445750000
Damper, lower mount rubber
Loading…
↗
77
9010112M0300
Bolt (l:115mm)
Loading…
↗
78
9020113M0100
Washer, plate(6e5)
Loading…
↗
79
902011242600
Washe, plate(663)
Loading…
↗
80
953801260000
Nut (707)
Loading…
↗