Yamaha Outboard Parts - Bracket 1 - L225CETO (1995) | Flood Marine
New Search
Parts
New Outboards
Home
L225CETO (1995)
Bracket 1
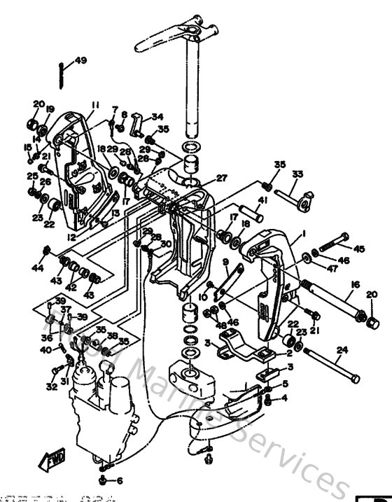
Diagram: Bracket 1
Parts List
Reference
Description
Price
1
61A43111214D
Bracket, Clamp 1
Loading…
↗
2
6G5452510100
Anode
Loading…
↗
3
6G5445260000
Plate
Loading…
↗
4
975950652500
Bolt, hexagon w/w deep recess
Loading…
↗
5
6T4821170000
Wire, lead
Loading…
↗
6
975950651000
Bolt, hexagon w/w deep recess
Loading…
↗
7
6E5821480000
Wire, lead 5
Loading…
↗
8
979850621200
Screw, with washer(6h3)
Loading…
↗
9
61A431320000
Washer, friction
Loading…
↗
10
979850621000
Screw pan head
Loading…
↗
11
69J43112018D
Bracket, clamp 2
Loading…
↗
12
61A431330000
Washer,friction
Loading…
↗
14
9370006M0300
Nipple, grease(6a1)
Loading…
↗
15
663451190000
Cap, grease nipple
Loading…
↗
16
6R3431310000
Bolt, clamp bracket
Loading…
↗
17
9038625M3100
Bushing (6e5)
Loading…
↗
18
9020126M5900
Washer, plate (6e5)
Loading…
↗
19
901852200700
Nut, self-locking
Loading…
↗
20
6G5431450000
Cap, clamp bracket
Loading…
↗
21
975951064500
Bolt, hexagon w/w deep recess
Loading…
↗
25
957801230000
Nut, nylon (6f2)
Loading…
↗
26
929901220000
Ybs66-12 washer,plain
Loading…
↗
27
61A43311214D
Bracket, swivel 1
Loading…
↗
30
61A821472000
Wire, lead 5
Loading…
↗
31
6G5431440000
Hook, spring
Loading…
↗
32
970950601000
Bolt
Loading…
↗
33
61A431810100
Lever, tilt stop 1
Loading…
↗
34
6G5431850200
Lever, tilt stop 2
Loading…
↗
35
9038610M1600
Bushing (688)
Loading…
↗
36
6G5431480000
Collar, distance
Loading…
↗
37
9024906M1900
Pin(6e5)
Loading…
↗
38
9038710M0200
Collar(6e5)
Loading…
↗
39
916903002000
Pin, spring (6h4)
Loading…
↗
40
9050614M2400
Spring, tension(6e5)
Loading…
↗
41
6E5431260200
Pin, upper shock mount
Loading…
↗
42
9038618M6300
Bush(6e5)
Loading…
↗
43
9038618M1400
Bushing (6e5)
Loading…
↗
44
9341018M0200
Circlip (6f2)
Loading…
↗
45
9010112M0500
Bolt (l:130mm)
Loading…
↗
46
9020113M0100
Washer, plate(6e5)
Loading…
↗
47
902011242600
Washe, plate(663)
Loading…
↗
48
953801260000
Nut (707)
Loading…
↗
49
9046511M1000
Clamp
Loading…
↗