Yamaha Outboard Parts - Bracket 1 - VX250CETOLXLX (2001) | Flood Marine
New Search
Parts
New Outboards
Home
VX250CETOLXLX (2001)
Bracket 1
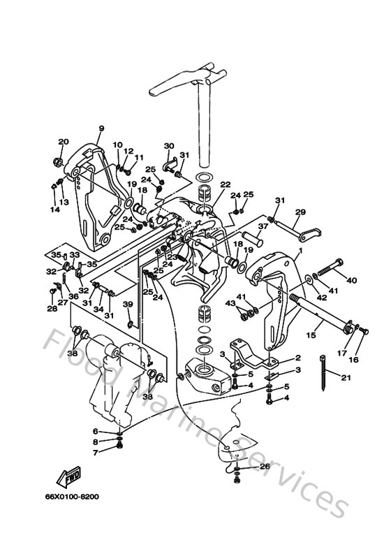
Diagram: Bracket 1
Parts List
Reference
Description
Price
1
64E43111028D
Bracket, clamp
Loading…
↗
2
6G5452510100
Anode
Loading…
↗
3
6G5445260000
Plate
Loading…
↗
4
970950603000
Bolt(jf7)
Loading…
↗
5
929950610000
Washer(6a1)
Loading…
↗
6
6E5821480000
Wire, lead 5
Loading…
↗
7
970950601000
Bolt
Loading…
↗
8
929950660000
Washer, plain (646)
Loading…
↗
9
64E43112028D
Bracket, clamp
Loading…
↗
11
978850601200
Screw, pan head(62j)
Loading…
↗
12
929900660000
Washer, plain (646)
Loading…
↗
13
9370006M0300
Nipple, grease(6a1)
Loading…
↗
14
663451190000
Cap, grease nipple
Loading…
↗
15
64E431310100
Bolt, clamp bracket
Loading…
↗
16
970950802000
Bolt, hexagon
Loading…
↗
17
929900810000
Ybs67-8 washer, spring
Loading…
↗
18
9038625M3100
Bushing (6e5)
Loading…
↗
19
9020126M5900
Washer, plate (6e5)
Loading…
↗
20
9018522M1100
Nut, self-locking
Loading…
↗
21
904651009800
Clamp
Loading…
↗
22
64E43311108D
Bracket, swibel
Loading…
↗
23
9046508M6300
Clamp(61u)
Loading…
↗
26
66K821490000
Wire, lead 3
Loading…
↗
27
6G5431440000
Hook, spring
Loading…
↗
29
6G5431810200
Lever, tilt stop 1
Loading…
↗
30
6G5431850200
Lever, tilt stop 2
Loading…
↗
31
9038610M1600
Bushing (688)
Loading…
↗
32
6G5431480000
Collar, distance
Loading…
↗
33
9024906M1900
Pin(6e5)
Loading…
↗
34
9038710M0500
Collar(6e5)
Loading…
↗
35
916903002000
Pin, spring (6h4)
Loading…
↗
36
9050614M2400
Spring, tension(6e5)
Loading…
↗
37
64E431260000
Pin, upper shock mount
Loading…
↗
38
9038622M9800
Bush(61u)
Loading…
↗
39
9341022M1100
Circlip(61u)
Loading…
↗
40
9010112M0500
Bolt (l:130mm)
Loading…
↗
41
9020113M0100
Washer, plate(6e5)
Loading…
↗
42
9020112M0500
Washe, plate(663)
Loading…
↗
43
953801260000
Nut (707)
Loading…
↗