Yamaha Outboard Parts - Bracket 2 - 130BETOL (1995) | Flood Marine
New Search
Parts
New Outboards
Home
130BETOL (1995)
Bracket 2
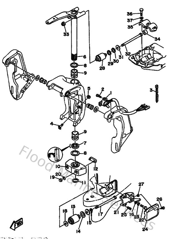
Diagram: Bracket 2
Parts List
Reference
Description
Price
1
6R3836720100
Trim sender
Loading…
↗
2
985800601600
Screw pan head
Loading…
↗
3
9046511M1000
Clamp
Loading…
↗
4
6G5433760000
Bolt, Thrust Receiver
Loading…
↗
5
957801030000
Nut, nylon (6e5)
Loading…
↗
6
6E542510258D
Steering bracket assembly
Loading…
↗
7
9310938M0200
Oil seal (6e5)
Loading…
↗
8
9020138M6000
Washer, plate (6e5)
Loading…
↗
9
9038638M8900
Bush(6e5)
Loading…
↗
10
6G544551004D
Housing, lower mount rubber
Loading…
↗
11
9341037M0400
Circlip (6e5)
Loading…
↗
12
6E5445750000
Damper, lower mount rubber
Loading…
↗
13
6E5445550000
Mount damper, lower side
Loading…
↗
14
9020232M1900
Washer, plate (6e5)
Loading…
↗
15
9020116M5500
Washer, plate (6e5)
Loading…
↗
16
6E5821490000
Wire, lead 3
Loading…
↗
17
9010914M3400
Bolt(6e5)
Loading…
↗
18
9020115M5800
Washer, plate (6e5)
Loading…
↗
19
953801480000
Nut, crown (6e5)
Loading…
↗
20
929901460000
Washer (6e5)
Loading…
↗
21
6E5445520094
Housing, lower mount rubber
Loading…
↗
22
973951004500
Bolt(64d)
Loading…
↗
23
929901010000
Ybs67-10 washer, spring
Loading…
↗
24
6E544553018D
Cover, lower mount
Loading…
↗
25
9050116M2800
Spring (6e5)
Loading…
↗
27
901790606600
Nut(663)
Loading…
↗
28
6E5445140094
Mount damper, upper side
Loading…
↗
29
9020126M5700
Washer, plate (6e5)
Loading…
↗
30
9020226M1800
Washer, plate (6e5)
Loading…
↗
31
9020114M5600
Washer, plate (6e5)
Loading…
↗
32
9010912M3700
Bolt
Loading…
↗
33
901851205800
Nut, nylon(663)
Loading…
↗
34
663445750000
Damper, lower mount rubber
Loading…
↗
35
6E5445110000
Cover, upper mount
Loading…
↗