Yamaha Outboard Parts - Bracket 2 - 225BETOL (1995) | Flood Marine
New Search
Parts
New Outboards
Home
225BETOL (1995)
Bracket 2
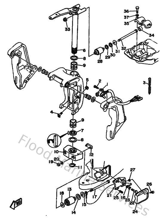
Diagram: Bracket 2
Parts List
Reference
Description
Price
1
6R3836720100
Trim sender
Loading…
↗
4
6G5433760000
Bolt, Thrust Receiver
Loading…
↗
6
6E542510258D
Steering bracket assembly
Loading…
↗
10
6G544551004D
Housing, lower mount rubber
Loading…
↗
12
6E5445750000
Damper, lower mount rubber
Loading…
↗
13
6G5445550000
Mount damper, lower side
Loading…
↗
16
6E5821490000
Wire, lead 3
Loading…
↗
21
6E5445520094
Housing, lower mount rubber
Loading…
↗
24
6E544553018D
Cover, lower mount
Loading…
↗
28
6G5445140094
Mount damper, upper side
Loading…
↗
34
663445750000
Damper, lower mount rubber
Loading…
↗
35
6E544511005B
Cover, upper mount
Loading…
↗