Yamaha Outboard Parts - Bracket 2 - 60FETO (1989) | Flood Marine
New Search
Parts
New Outboards
Home
60FETO (1989)
Bracket 2
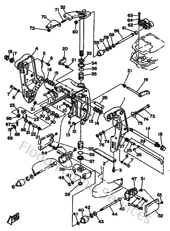
Diagram: Bracket 2
Parts List
Reference
Description
Price
1
6H14311100EJ
Bracket, Clamp 1
Loading…
↗
2
6H1452510100
Anode set
Loading…
↗
3
9011906M5200
Bolt, hexagon w/w deep recess
Loading…
↗
5
6E5821480000
Wire, lead 5
Loading…
↗
6
978850601200
Screw, pan head(62j)
Loading…
↗
8
929901010000
Ybs67-10 washer, spring
Loading…
↗
9
6H14331101EJ
Bracket, Swivel 1
Loading…
↗
10
937000600400
Nipple, grease(6a1)
Loading…
↗
12
9046411M1800
Clamp(6e5)
Loading…
↗
13
9033805M0300
Plug (6h1)
Loading…
↗
14
688431310300
Bolt, clamp bracket
Loading…
↗
15
9038622M1500
Bushing (688)
Loading…
↗
16
9020122M6700
Washer, plate (688)
Loading…
↗
17
901852200700
Nut, self-locking
Loading…
↗
18
663431450000
Cap, clamp bracket
Loading…
↗
19
6H1431810000
Lever, tilt stop 1
Loading…
↗
20
6H1431850100
Lever, tilt stop 2
Loading…
↗
21
9038610M1600
Bushing (688)
Loading…
↗
22
9038710M0200
Collar(6e5)
Loading…
↗
23
916903002000
Pin, spring (6h4)
Loading…
↗
24
688431600100
Tilt rod ass'y
Loading…
↗
25
688431650000
Stopper, tilt rod
Loading…
↗
26
916903001200
Pin, spring
Loading…
↗
27
9050216M0200
Spring, conical (688)
Loading…
↗
28
6E5431260100
Pin, upper shock mount
Loading…
↗
29
9038618M6300
Bush(6e5)
Loading…
↗
30
9038618M3500
Bush (688)
Loading…
↗
31
9341018M0500
Circlip (6f2)
Loading…
↗
33
9020130M0000
Washer, plate(6h1)
Loading…
↗
34
9038630M7800
Bush(6h0)
Loading…
↗
35
9038630M7700
Bush(6h0)
Loading…
↗
37
9038630M6000
Bush(6j8)
Loading…
↗
39
9341028M0600
Circlip (688)
Loading…
↗
40
687445550094
Mount damper, lower side
Loading…
↗
41
9020112M1600
Washer, plate (679)
Loading…
↗
42
9020225M0400
Washer, plate (663)
Loading…
↗
43
9020113M1900
Washer, plate (663)
Loading…
↗
44
9010912M2100
Bolt (6h3)
Loading…
↗
45
663445750000
Damper, lower mount rubber
Loading…
↗
46
953801280000
Nut crown(663)
Loading…
↗
47
6H3445520194
Housing, lower mount rubber
Loading…
↗
48
970950802500
Bolt (62g)
Loading…
↗
49
929900810000
Ybs67-8 washer, spring
Loading…
↗
50
905011423600
Spring, compression(64j)
Loading…
↗
51
901790606600
Nut(663)
Loading…
↗
53
985800601600
Screw pan head
Loading…
↗
54
688821270200
Wire, lead 2
Loading…
↗
55
688445140094
Mount damper, upper side
Loading…
↗
56
9010110M4900
Bolt
Loading…
↗
57
9020120M2100
Washer, plate (688)
Loading…
↗
58
9020220M0600
Washer, plate (688)
Loading…
↗
59
9020111M2200
Washer, plate (688)
Loading…
↗
60
901851005100
Nut, self-locking
Loading…
↗
62
688445110000
Cover, upper mount
Loading…
↗
63
970900803500
Bolt(70w)
Loading…
↗
65
9024906M1900
Pin(6e5)
Loading…
↗
66
6G5431480000
Collar, distance
Loading…
↗
67
9050614M2400
Spring, tension(6e5)
Loading…
↗
68
6G5431440000
Hook, spring
Loading…
↗
69
973950601000
Bolt
Loading…
↗
70
6H3485115200
Hook, steering
Loading…
↗
71
901161017500
Bolt, stud
Loading…
↗
72
901851002700
Nut, self-locking
Loading…
↗
73
9010112M6500
Bolt
Loading…
↗
74
929951220000
Ybs66-12 washer,plain
Loading…
↗
75
902011242600
Washe, plate(663)
Loading…
↗
76
953801260000
Nut (707)
Loading…
↗