Yamaha Outboard Parts - Bracket 2 - 60FETO (1999) | Flood Marine
New Search
Parts
New Outboards
Home
60FETO (1999)
Bracket 2
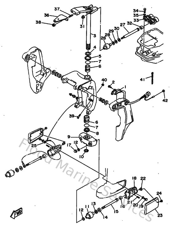
Diagram: Bracket 2
Parts List
Reference
Description
Price
1
6H5836720100
Trim Sender
Loading…
↗
2
978850601600
Screw, pan head(6b0)
Loading…
↗
3
6H342510024D
Steering bracket assembly
Loading…
↗
4
9020130M0000
Washer, plate(6h1)
Loading…
↗
5
9038630M7800
Bush(6h0)
Loading…
↗
6
9038630M7700
Bush(6h0)
Loading…
↗
7
9321029M9400
O-ring(6h1)
Loading…
↗
8
9038630M6000
Bush(6j8)
Loading…
↗
9
6H344551014D
Housing, lower mount rubber 1
Loading…
↗
10
9341028M0600
Circlip (688)
Loading…
↗
11
687445550000
Mount damper, lower side
Loading…
↗
12
9020112M1600
Washer, plate (679)
Loading…
↗
13
9020225M0400
Washer, plate (663)
Loading…
↗
14
9020113M1900
Washer, plate (663)
Loading…
↗
15
9010912M2100
Bolt (6h3)
Loading…
↗
16
663445750000
Damper, lower mount rubber
Loading…
↗
17
953801280000
Nut crown(663)
Loading…
↗
18
6H3445520300
Housing, lower mount rubber
Loading…
↗
19
970950802500
Bolt (62g)
Loading…
↗
20
929900810000
Ybs67-8 washer, spring
Loading…
↗
21
9050114M0800
Spring, compression(64j)
Loading…
↗
22
901790606600
Nut(663)
Loading…
↗
23
6H344553014D
Cover, lower mount
Loading…
↗
24
901570600900
Screw, pan head(6b0)
Loading…
↗
25
697821270100
Wire, lead 2
Loading…
↗
26
688445140094
Mount damper, upper side
Loading…
↗
27
9010110M4900
Bolt
Loading…
↗
28
9020120M2100
Washer, plate (688)
Loading…
↗
29
9020220M0600
Washer, plate (688)
Loading…
↗
30
9020111M2200
Washer, plate (688)
Loading…
↗
31
901851005100
Nut, self-locking
Loading…
↗
33
688445110094
Cover, upper mount
Loading…
↗
34
970700803500
Bolt(70w)
Loading…
↗
36
6H348511514D
Hook, steering
Loading…
↗
37
901161017500
Bolt, stud
Loading…
↗
38
901851002700
Nut, self-locking
Loading…
↗
39
688433760100
Bolt, thrust receiver
Loading…
↗
40
957800830000
Nut, nylon (6j8)
Loading…
↗
41
9046511M1000
Clamp
Loading…
↗
42
703821190000
Cover, lead wire
Loading…
↗