Yamaha Outboard Parts - Bracket 2 - 70BETO (1991) | Flood Marine
New Search
Parts
New Outboards
Home
70BETO (1991)
Bracket 2
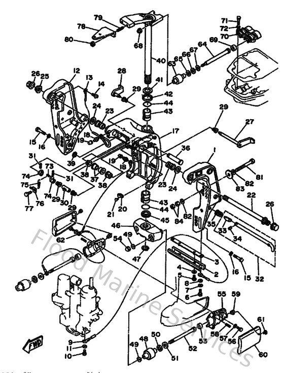
Diagram: Bracket 2
Parts List
Reference
Description
Price
1
6H14311100EJ
Bracket, Clamp 1
Loading…
↗
2
6H1452510200
Anode
Loading…
↗
3
6H1445260000
Plate 2
Loading…
↗
4
9020106M3100
Washer (6a0)
Loading…
↗
5
970800601200
Bolt(gh1)
Loading…
↗
6
973950601600
Bolt, hexagon deep recess
Loading…
↗
7
929900610000
Washer(6a1)
Loading…
↗
8
929900660000
Washer, plain (646)
Loading…
↗
9
6T4821170000
Wire, lead
Loading…
↗
10
973950601000
Bolt
Loading…
↗
13
6E5821480000
Wire, lead 5
Loading…
↗
14
925800601200
Screw, pan head(62j)
Loading…
↗
15
970951004500
Bolt(64d)
Loading…
↗
16
929901010000
Ybs67-10 washer, spring
Loading…
↗
17
6H14331101EJ
Bracket, Swivel 1
Loading…
↗
18
937000600400
Nipple, grease(6a1)
Loading…
↗
19
663451190000
Cap, grease nipple
Loading…
↗
20
9046411M1800
Clamp(6e5)
Loading…
↗
21
9033805M0300
Plug (6h1)
Loading…
↗
22
688431310300
Bolt, clamp bracket
Loading…
↗
23
9038622M1500
Bushing (688)
Loading…
↗
24
9020122M6700
Washer, plate (688)
Loading…
↗
25
901852204300
Nut, self-locking
Loading…
↗
26
6G5431450100
Cap, clamp bracket
Loading…
↗
27
6H1431810000
Lever, tilt stop 1
Loading…
↗
28
6H1431850000
Lever, tilt stop 2
Loading…
↗
29
9038610M1600
Bushing (688)
Loading…
↗
30
9038710M0200
Collar(6e5)
Loading…
↗
31
916903002000
Pin, spring (6h4)
Loading…
↗
32
688431600100
Tilt rod ass'y
Loading…
↗
33
688431650000
Stopper, tilt rod
Loading…
↗
34
916903001200
Pin, spring
Loading…
↗
35
9050216M0200
Spring, conical (688)
Loading…
↗
36
6E5431260200
Pin, upper shock mount
Loading…
↗
37
9038618M6300
Bush(6e5)
Loading…
↗
38
9038618M3500
Bush (688)
Loading…
↗
39
9341018M0200
Circlip (6f2)
Loading…
↗
41
9020130M0000
Washer, plate(6h1)
Loading…
↗
42
9038630M7800
Bush(6h0)
Loading…
↗
43
9038630M7700
Bush(6h0)
Loading…
↗
44
9321029M9400
O-ring(6h1)
Loading…
↗
45
9038630M6000
Bush(6j8)
Loading…
↗
47
9341028M0600
Circlip (688)
Loading…
↗
48
687445550094
Mount damper, lower side
Loading…
↗
49
9020112M1600
Washer, plate (679)
Loading…
↗
50
9020225M0400
Washer, plate (663)
Loading…
↗
51
9020113M1900
Washer, plate (663)
Loading…
↗
52
9010912M2100
Bolt (6h3)
Loading…
↗
53
663445750000
Damper, lower mount rubber
Loading…
↗
54
953801280000
Nut crown(663)
Loading…
↗
55
6H3445520194
Housing, lower mount rubber
Loading…
↗
56
970950802500
Bolt (62g)
Loading…
↗
58
905011423600
Spring, compression(64j)
Loading…
↗
59
901790606600
Nut(663)
Loading…
↗
61
985800601600
Screw pan head
Loading…
↗
62
688821270200
Wire, lead 2
Loading…
↗
63
688445140094
Mount damper, upper side
Loading…
↗
64
9010110M4900
Bolt
Loading…
↗
65
9020120M2100
Washer, plate (688)
Loading…
↗
66
9020220M0600
Washer, plate (688)
Loading…
↗
67
9020111M2200
Washer, plate (688)
Loading…
↗
68
901851005100
Nut, self-locking
Loading…
↗
70
688445110094
Cover, upper mount
Loading…
↗
71
970950803500
Bolt(70w)
Loading…
↗
72
929900810000
Ybs67-8 washer, spring
Loading…
↗
73
9024906M1900
Pin(6e5)
Loading…
↗
74
6G5431480000
Collar, distance
Loading…
↗
75
9050614M2400
Spring, tension(6e5)
Loading…
↗
76
6G5431440000
Hook, spring
Loading…
↗
78
6H34851150EJ
Hook, steering
Loading…
↗
79
901161006300
Bolt, stud
Loading…
↗
81
9010112M6500
Bolt
Loading…
↗
82
929951220000
Ybs66-12 washer,plain
Loading…
↗
84
953801260000
Nut (707)
Loading…
↗