Yamaha Outboard Parts - Bracket 2 - 90AETOL (1987) | Flood Marine
New Search
Parts
New Outboards
Home
90AETOL (1987)
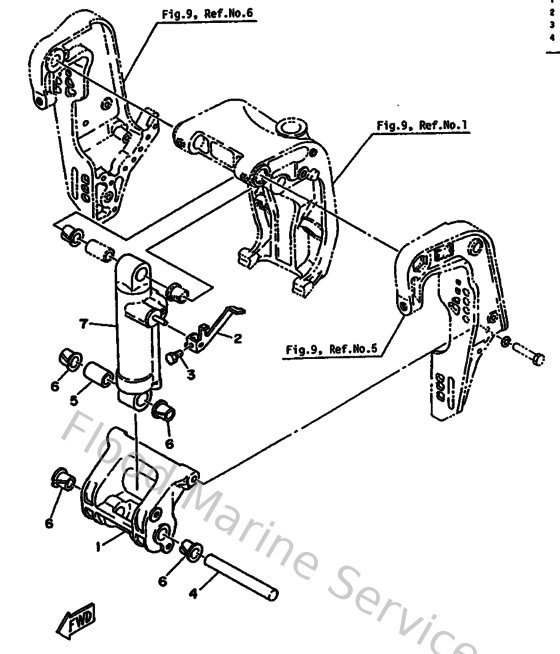
Bracket 2
Diagram: Bracket 2
Parts List
Reference
Description
Price
2
688436310000
Lever, tilt 1
Loading…
↗
3
973800601000
Bolt
Loading…
↗
4
688431240100
Pin, lower shock mount
Loading…
↗
5
9038618M2100
Bushing (688)
Loading…
↗
6
9038618M3500
Bush (688)
Loading…
↗
7
6884317004EJ
Shock Absorber
Loading…
↗