Yamaha Outboard Parts - Bracket 2 - E25AMH (2001) | Flood Marine
New Search
Parts
New Outboards
Home
E25AMH (2001)
Bracket 2
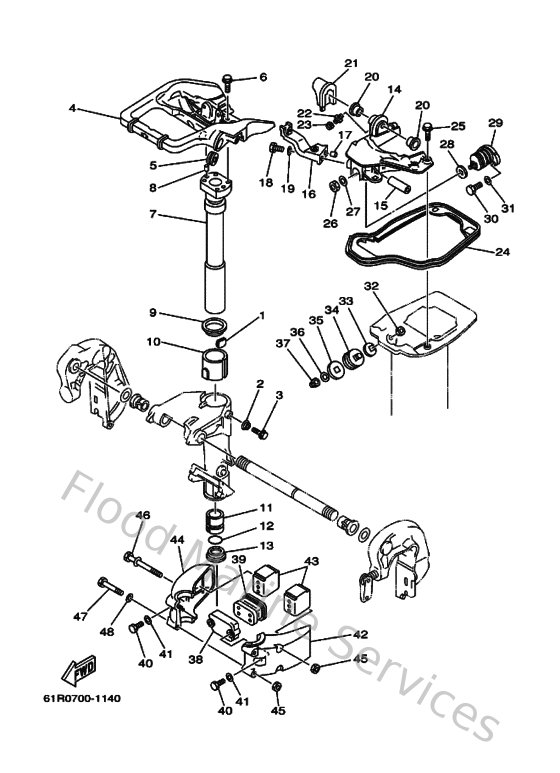
Diagram: Bracket 2
Parts List
Reference
Description
Price
1
648425280000
Plate, friction
Loading…
↗
2
689433730100
Seal, damper
Loading…
↗
3
9010506M1800
Bolt (689)
Loading…
↗
4
68942511024D
Bracket, Steering
Loading…
↗
5
904802904500
Grommet 648425510000
Loading…
↗
6
9010506M0700
Bolt (689)
Loading…
↗
7
689425210094
Shaft, steering pivot
Loading…
↗
8
936081206300
Pin, dowel (626)
Loading…
↗
9
902094701600
Washer 648425350000
Loading…
↗
10
9038647M2200
Bushing (695)
Loading…
↗
11
903863809000
Bushing (664)
Loading…
↗
12
932103716000
O-ring (6g8)
Loading…
↗
13
903863802200
Bush(648-42539-00)
Loading…
↗
14
6484451801CA
Bracket comp.
Loading…
↗
15
9038710M3900
Coller (689)
Loading…
↗
16
648445190094
Bracket
Loading…
↗
17
936061201900
Pin, dowel (614)
Loading…
↗
18
970950601800
Bolt (fj0)
Loading…
↗
19
929900660000
Washer, plain (646)
Loading…
↗
20
9038112M0100
Bush, solid(6a4)
Loading…
↗
21
689427180000
Rubber, seal 3
Loading…
↗
22
9370006M0300
Nipple, grease(6a1)
Loading…
↗
23
663451190000
Cap, grease nipple
Loading…
↗
24
689427160000
Rubber, Seal 1
Loading…
↗
25
9010506M0800
Bolt (689)
Loading…
↗
26
9017010M4200
Nut
Loading…
↗
27
929901020000
958-69527-00 washer, plain
Loading…
↗
28
64844591A000
Gasket
Loading…
↗
29
689445160000
Mount damper, upper front
Loading…
↗
30
970950602000
Bolt(7u8)
Loading…
↗
31
929950660000
Washer, plain (646)
Loading…
↗
34
664445140094
Mount damper, upper side
Loading…
↗
35
66444591A000
Gasket
Loading…
↗
37
9017610M0100
Nut, crown
Loading…
↗
38
689445530094
Cover, lower mount
Loading…
↗
39
689445570000
Mount damper, lower front
Loading…
↗
40
970750802500
Bolt, hexagon deep recess
Loading…
↗
41
929950860000
Washer, plain (663)
Loading…
↗
42
68944551014D
Housing, lower mount rubber 1
Loading…
↗
43
689445550000
Mount damper, lower side
Loading…
↗
44
68944552018D
Housing, lower mount rubber 2
Loading…
↗
45
953800860000
Nut (661)
Loading…
↗
46
9011908M0300
Bolt (689)
Loading…
↗
47
970800806500
Bolt (gk02)
Loading…
↗