Yamaha Outboard Parts - Bracket 2 - F80AET (2000) | Flood Marine
New Search
Parts
New Outboards
Home
F80AET (2000)
Bracket 2
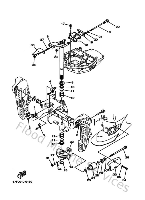
Diagram: Bracket 2
Parts List
Reference
Description
Price
1
64E836720000
Trim sender
Loading…
↗
2
978850601600
Screw, pan head(6b0)
Loading…
↗
3
9046508M6300
Clamp(61u)
Loading…
↗
4
999990383000
Cam, trim sender (with screw)
Loading…
↗
5
977806052500
Screw, tapping(65j)
Loading…
↗
6
9046511M1000
Clamp
Loading…
↗
7
904651009800
Clamp
Loading…
↗
8
67F42510104D
Steering bracket assembly
Loading…
↗
9
9020130M0000
Washer, plate(6h1)
Loading…
↗
10
9038630M7800
Bush(6h0)
Loading…
↗
11
9321029M9400
O-ring(6h1)
Loading…
↗
12
9038630M7700
Bush(6h0)
Loading…
↗
13
9038630M6000
Bush(6j8)
Loading…
↗
14
67F44551008D
Housing, lower mount rubber
Loading…
↗
15
9341028M0600
Circlip (688)
Loading…
↗
16
67F445140094
Mount damper, upper side
Loading…
↗
17
975750844500
Bolt, hexagon w/w deep recess
Loading…
↗
18
901091200700
Bolt
Loading…
↗
19
67F445260000
Plate
Loading…
↗
20
9020112M1600
Washer, plate (679)
Loading…
↗
21
9020113M0100
Washer, plate(6e5)
Loading…
↗
22
67F445330000
Damper, upper mount rubber
Loading…
↗
23
957801230000
Nut, nylon (6f2)
Loading…
↗
24
67F445550094
Mount damper, lower side
Loading…
↗
25
9020113M0300
Washer, plate (688)
Loading…
↗
26
9010912M9700
Bolt
Loading…
↗
28
9020124M0200
Washer, plate(61x)
Loading…
↗
29
9020225M0400
Washer, plate (663)
Loading…
↗
30
9020113M1900
Washer, plate (663)
Loading…
↗
31
953801280000
Nut crown(663)
Loading…
↗
32
67F445750000
Damper, lower mount rubber
Loading…
↗
33
67F44553004D
Cover, lower mount
Loading…
↗
34
970751004000
Bolt, hexagon deep recess
Loading…
↗
35
929951010000
Ybs67-10 washer, spring
Loading…
↗
36
67F485110100
Hook, steering
Loading…
↗
37
901161017500
Bolt, stud
Loading…
↗
38
901851005100
Nut, self-locking
Loading…
↗