Yamaha Outboard Parts - Bracket 2 - F9.9BMH (1986) | Flood Marine
New Search
Parts
New Outboards
Home
F9.9BMH (1986)
Bracket 2
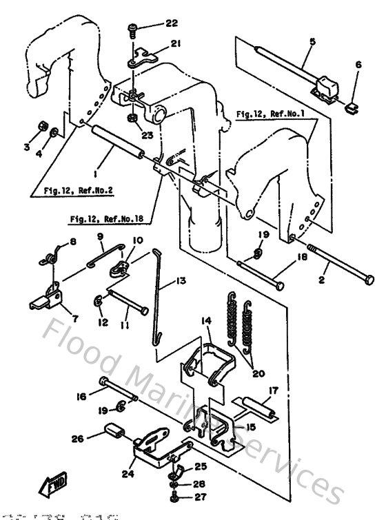
Diagram: Bracket 2
Parts List
Reference
Description
Price
1
9038706M5700
Collar(6g8)
Loading…
↗
2
973950613500
Bolt(6g1)
Loading…
↗
3
9538R0670000
Nut
Loading…
↗
4
929900660000
Washer, plain (646)
Loading…
↗
5
6G8431600000
Tilt rod assembly
Loading…
↗
7
6G8436310000
Lever, tilt
Loading…
↗
9
682436160000
Rod, tilt lock 1
Loading…
↗
10
682436410000
Lever, tilt
Loading…
↗
11
9024906M1600
Pin(6G8)
Loading…
↗
12
934300502700
Circlip(22k)
Loading…
↗
13
6G8436170000
Rod, tilt lock 1
Loading…
↗
14
682436140000
Plate, tilt lock 1
Loading…
↗
15
682436150200
Plate, tilt lock
Loading…
↗
16
682436110000
Shaft, tilt lock
Loading…
↗
17
9038706M1000
Collar(6m7)
Loading…
↗
18
682436590100
Shaft, reverse lock
Loading…
↗
20
9050626M0700
Spring, tension (683)
Loading…
↗
22
925800602000
Screw pan head
Loading…
↗
23
957800630000
Nut, nylon (6g1)
Loading…
↗
24
6G9436810000
Lever Shallow Water Drive
Loading…
↗
25
682436430000
Spring
Loading…
↗
26
682433180100
Cover
Loading…
↗
27
973950600800
Bolt (fj1)
Loading…
↗