Yamaha Outboard Parts - Bracket 2 - FT9.9AMH (1985) | Flood Marine
New Search
Parts
New Outboards
Home
FT9.9AMH (1985)
Bracket 2
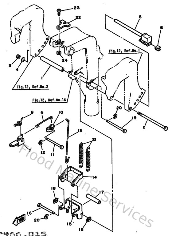
Diagram: Bracket 2
Parts List
Reference
Description
Price
1
9038706M5700
Collar(6g8)
Loading…
↗
2
973950613500
Bolt(6g1)
Loading…
↗
3
953800670000
Nut
Loading…
↗
4
929900660000
Washer, plain (646)
Loading…
↗
5
6G8431600100
Tilt rod assembly
Loading…
↗
7
6G8436310000
Lever, tilt
Loading…
↗
9
682436160000
Rod, tilt lock 1
Loading…
↗
10
682436410000
Lever, tilt
Loading…
↗
11
9024906M1600
Pin(6G8)
Loading…
↗
12
934300502700
Circlip(22k)
Loading…
↗
13
6G8436170000
Rod, tilt lock 1
Loading…
↗
14
682436140000
Plate, tilt lock 1
Loading…
↗
15
6G8436150000
Plate, Tilt Lock
Loading…
↗
16
682436110000
Shaft, tilt lock
Loading…
↗
17
9038706M1000
Collar(6m7)
Loading…
↗
18
682436730000
Washer 1
Loading…
↗
19
682436590100
Shaft, reverse lock
Loading…
↗
21
9050629M1600
Spring Tension (6G8)
Loading…
↗
23
925800602000
Screw pan head
Loading…
↗
24
957800630000
Nut, nylon (6g1)
Loading…
↗