Yamaha Outboard Parts - Bracket 2 - FT9.9AMH (1989) | Flood Marine
New Search
Parts
New Outboards
Home
FT9.9AMH (1989)
Bracket 2
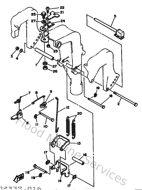
Diagram: Bracket 2
Parts List
Reference
Description
Price
1
9038706M0900
Collar(6g8)
Loading…
↗
2
973950613500
Bolt(6g1)
Loading…
↗
3
953800670000
Nut
Loading…
↗
4
929900660000
Washer, plain (646)
Loading…
↗
5
6G8431600100
Tilt rod assembly
Loading…
↗
6
6G8436310100
Lever, Tilt
Loading…
↗
8
682436160000
Rod, tilt lock 1
Loading…
↗
9
682436410100
Lever, tilt
Loading…
↗
10
9024906M2000
Pin(6G8)
Loading…
↗
11
990800560000
Circlip(22k)
Loading…
↗
12
6G8436170000
Rod, tilt lock 1
Loading…
↗
13
682436140000
Plate, tilt lock 1
Loading…
↗
14
682436150100
Plate, tilt lock
Loading…
↗
15
682436110100
Shaft, tilt lock
Loading…
↗
16
9038706M1000
Collar(6m7)
Loading…
↗
17
682436730000
Washer 1
Loading…
↗
18
682436590000
Shaft, reverse lock
Loading…
↗
21
6G8433190100
Plate
Loading…
↗
22
985800601600
Screw pan head
Loading…
↗
23
953800660000
Nut(661)
Loading…
↗
24
6G8425120094
Plate, Control
Loading…
↗
25
9010510M3000
Bolt (6f2)
Loading…
↗
26
953801070000
Nut (682)
Loading…
↗
27
9020110M7600
Washer, plate (6e5)
Loading…
↗