Yamaha Outboard Parts - Bracket 2 - L250AETO (1997) | Flood Marine
New Search
Parts
New Outboards
Home
L250AETO (1997)
Bracket 2
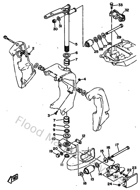
Diagram: Bracket 2
Parts List
Reference
Description
Price
1
61A836720100
Trim Sender
Loading…
↗
2
978850601600
Screw, pan head(6b0)
Loading…
↗
3
61A433760000
Bolt, thrust receiver
Loading…
↗
4
957801030000
Nut, nylon (6e5)
Loading…
↗
5
61A42510218D
Steering Bracket assembly
Loading…
↗
6
9020140M0000
Washer, plate(61a)
Loading…
↗
7
9038639M8900
Bush(61a)
Loading…
↗
8
932103532100
O-ring (3m7)
Loading…
↗
9
9020240M4700
Washer, plate(61a)
Loading…
↗
10
61A44551018D
Housing, lower mount rubber
Loading…
↗
11
9341037M0400
Circlip (6e5)
Loading…
↗
12
61A445750000
Damper, lower mount rubber
Loading…
↗
13
61A445550194
Mount damper, lower side
Loading…
↗
14
9020232M1900
Washer, plate (6e5)
Loading…
↗
15
9020116M5500
Washer, plate (6e5)
Loading…
↗
16
6E5821490000
Wire, lead 3
Loading…
↗
17
9010914M4800
Bolt
Loading…
↗
18
9020115M5800
Washer, plate (6e5)
Loading…
↗
19
953801480000
Nut, crown (6e5)
Loading…
↗
20
929901460000
Washer (6e5)
Loading…
↗
21
61A445520194
Housing, lower mount rubber
Loading…
↗
22
975951054500
Bolt, hexagon w/w deep recess
Loading…
↗
23
61A44553028D
Cover, lower mount
Loading…
↗
24
6A0157890000
Damper
Loading…
↗
25
61A445140094
Mount Damper, Upper Side
Loading…
↗
26
9020116M0100
Washer, plate(61a)
Loading…
↗
27
9020228M4600
Washer, plate(61a)
Loading…
↗
28
9020128M0100
Washer, plate(61a)
Loading…
↗
29
9010914M1000
Bolt
Loading…
↗
30
9018514M0000
Nut, self-locking(61a)
Loading…
↗
32
61A445110094
Cover, upper mount
Loading…
↗