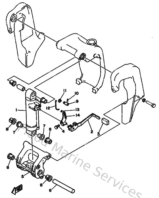
Yamaha Outboard Parts - Bracket 3 - 75AE (1993) | Flood Marine

Diagram: Bracket 3

Diagram