Yamaha Outboard Parts - Bracket 3 - 85AET (1992) | Flood Marine
New Search
Parts
New Outboards
Home
85AET (1992)
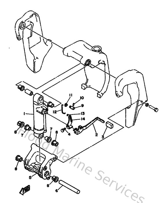
Bracket 3
Diagram: Bracket 3
Parts List
Reference
Description
Price
2
688436311000
Lever, tilt
Loading…
↗
3
682433180100
Cover
Loading…
↗
4
973950601000
Bolt
Loading…
↗
6
688431240200
Pin, lower shock mount
Loading…
↗
7
9038618M6300
Bush(6e5)
Loading…
↗
8
9038618M3500
Bush (688)
Loading…
↗
9
688431860000
Lever
Loading…
↗
10
916903002000
Pin, spring (6h4)
Loading…
↗
11
6J8412620000
Joint, choke lever
Loading…
↗
12
688436160000
Rod, tilt lock
Loading…
↗
13
9020203M5100
Washer, plate(688)
Loading…
↗
14
688436510000
Lever, reverse lock1
Loading…
↗