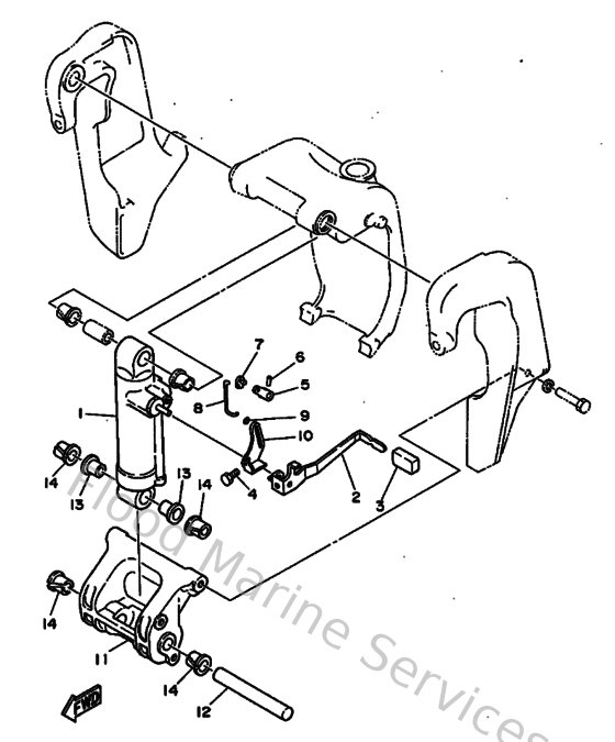
Yamaha Outboard Parts - Bracket 4 - 85AET (1997) | Flood Marine

Diagram: Bracket 4

Diagram