Yamaha Outboard Parts - Carburetor - 6CEM (1993) | Flood Marine
New Search
Parts
New Outboards
Home
6CEM (1993)
Carburetor
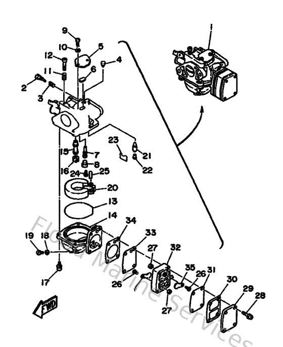
Diagram: Carburetor
Parts List
Reference
Description
Price
1
6G1143010100
Carburetor assembly 1
Loading…
↗
2
679149230000
Screw, pilot
Loading…
↗
3
679145550000
Spring
Loading…
↗
4
6G1149660000
Cap
Loading…
↗
5
6G1145270000
Plate
Loading…
↗
6
6G1141260000
Packing
Loading…
↗
7
6G1149480500
Jet (#45)
Loading…
↗
8
679149660000
Rubber cap
Loading…
↗
9
985800401000
Screw, pan head (e56)
Loading…
↗
10
929030410000
Ybs67-4 washer, spring
Loading…
↗
11
905011032600
Spring coil(663)(carb)
Loading…
↗
12
63V145230000
Screw, stop
Loading…
↗
13
6G1149840000
Gasket, float chamber
Loading…
↗
14
6G1149800100
Body, float chamber
Loading…
↗
15
6G1149470000
Nozzle, main
Loading…
↗
16
676149432700
Jet, main (#100)
Loading…
↗
17
979800411400
Screw, pan head(ga5)
Loading…
↗
18
6G1143980000
Washer
Loading…
↗
19
6G1149920000
Screw, drain
Loading…
↗
20
6G1149850000
Float comp.
Loading…
↗
21
6G1145460000
Valve, needle
Loading…
↗
22
676141860000
Pin, valve
Loading…
↗
23
663141590000
Clip
Loading…
↗
24
985800400800
Screw, pan head (713)
Loading…
↗
25
688145480000
Pin, arm
Loading…
↗
26
985800300600
Screw, pan head(78g)
Loading…
↗
27
953800360000
Nut (6g8)
Loading…
↗
28
979800412500
Screw, with washer
Loading…
↗
29
6G1244520000
Cover, pump
Loading…
↗
30
6G1244320000
Packing
Loading…
↗
31
6G1244710000
Diaphragm
Loading…
↗
32
6G1244120100
Body 1
Loading…
↗
33
6G1244110000
Diaphragm
Loading…
↗
34
6G1244310100
Gasket, fuel pump 1
Loading…
↗
35
6G1244210000
Valve, check
Loading…
↗