Yamaha Outboard Parts - Cowling & Fuel - 2BMH (1986) | Flood Marine

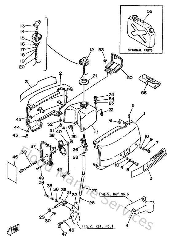
Diagram: Cowling & Fuel

Diagram

Parts List

Reference
Description
Price