Yamaha Outboard Parts - Crankshaft & Piston - 30DEO (1993) | Flood Marine
New Search
Parts
New Outboards
Home
30DEO (1993)
Crankshaft & Piston
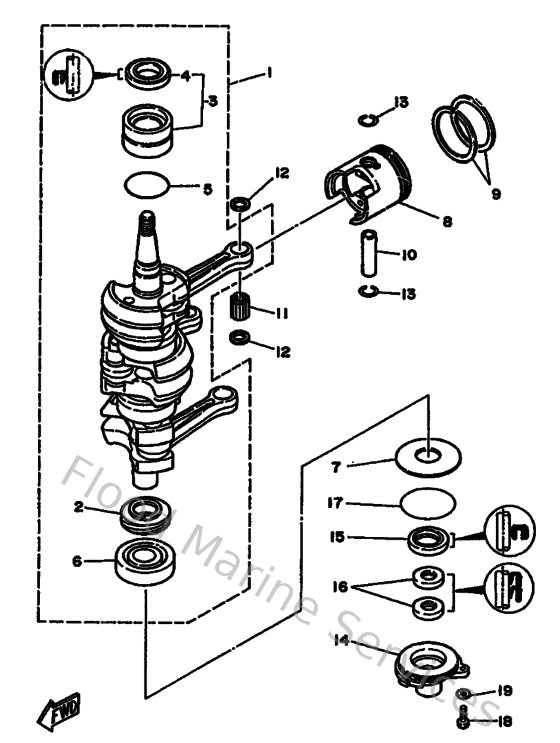
Diagram: Crankshaft & Piston
Parts List
Reference
Description
Price
2
6J8115360000
Gear, drive
Loading…
↗
3
93311632U700
Bearing, cylindrical(6j8)
Loading…
↗
4
9310226M2700
Oil seal(6j8)
Loading…
↗
5
932104215900
O-ring (647)
Loading…
↗
6
93306305U300
Bearing(6j8)
Loading…
↗
7
902015030600
Washer plate 648115870000
Loading…
↗
8
6J8116310297
Piston (std)
Loading…
↗
9
6J8116011100
Piston ring set (1st o/s)
Loading…
↗
10
6J8116330000
Pin, piston
Loading…
↗
11
9360216M1000
Pin, dowel(6j8)
Loading…
↗
12
902011637900
Washer plate
Loading…
↗
13
934501712900
Circlip(1ar)
Loading…
↗
15
9310125M2800
Oil seal(6j8)
Loading…
↗
17
9321056M8000
O-ring(6j8)
Loading…
↗
18
973130601600
Bolt, hexagon deep recess
Loading…
↗
19
929900660000
Washer, plain (646)
Loading…
↗