Yamaha Outboard Parts - Cylinder & Crankcase - 115AETOL (1987) | Flood Marine
New Search
Parts
New Outboards
Home
115AETOL (1987)
Cylinder & Crankcase
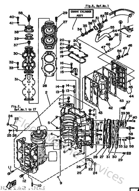
Diagram: Cylinder & Crankcase
Parts List
Reference
Description
Price
2
6F3151000594
Crankcase assembly
Loading…
↗
3
624113790000
Valve, check
Loading…
↗
4
663115180100
Lock, bearing
Loading…
↗
5
6E5113720100
Nipple, hose
Loading…
↗
7
9034014M0000
Plug, straight screw(62y)
Loading…
↗
8
904301411500
Gasket (663)
Loading…
↗
9
936081206300
Pin, dowel (626)
Loading…
↗
10
9011608M1400
Bolt, stud (6e5)
Loading…
↗
11
9010510M2000
Bolt (6e5)
Loading…
↗
13
6E5113250000
Anode
Loading…
↗
15
6E5111190000
Hanger, Engine
Loading…
↗
16
970130802000
Bolt(6td)
Loading…
↗
17
929030810000
Ybs67-8 washer, spring
Loading…
↗
18
6E511371009M
Cover
Loading…
↗
19
6E511381A200
Gasket 1
Loading…
↗
20
973130602000
Bolt(7u8)
Loading…
↗
22
6E5427610094
Stopper
Loading…
↗
23
6E542762001S
Stopper
Loading…
↗
24
663445330000
Damper, upper mount
Loading…
↗
26
929900660000
Washer, plain (646)
Loading…
↗
27
6E5111110094
Head, cylinder 1
Loading…
↗
28
6E5111810200
Gasket, cylinder head 1
Loading…
↗
29
9011908M0700
Bolt, with washer(63v)
Loading…
↗
30
6E511191019M
Cover, cylinder head 1
Loading…
↗
31
6E5111930100
Gasket, head cover 1
Loading…
↗
32
970800603000
Bolt(jf7)
Loading…
↗
33
929030660000
Washer, plain (646)
Loading…
↗
34
9048020M0500
Grommet (688)
Loading…
↗
35
6G5124160000
Valve, pressure control
Loading…
↗
36
9050116M1100
Spring, compression (688)
Loading…
↗
37
6E5124111000
Thermostat
Loading…
↗
38
6G512413009M
Cover, thermostat
Loading…
↗
39
68812414A100
Gasket, cover
Loading…
↗
40
973130604000
Bolt (682)
Loading…
↗
42
6E541111001S
Inner cover, exhaust
Loading…
↗
43
6E5411120000
Gasket, exhaust inner cover
Loading…
↗
44
6E541113019M
Outer cover, exhaust
Loading…
↗
45
6EEF43770000
Pipe, joint 2
Loading…
↗
46
6E5243120000
Pipe 2
Loading…
↗
47
904670800400
Clip, pipe 6162435600
Loading…
↗
48
973130603500
Bolt(3rv)
Loading…
↗
50
6G5113820000
Gasket 2
Loading…
↗
51
6G511372009M
Cover, bypass 2
Loading…
↗
52
970800602000
Bolt(7u8)
Loading…
↗
54
6G5125760000
Hose 1
Loading…
↗
55
9046513M1800
Clamp
Loading…
↗
56
9046508M0800
Clamp (6e5)
Loading…
↗
57
9046508M0700
Clamp (1e6)
Loading…
↗
58
947020024700
Plug, spark (br8hs-10)
Loading…
↗