Yamaha Outboard Parts - Cylinder & Crankcase - 20CMH (1992) | Flood Marine
New Search
Parts
New Outboards
Home
20CMH (1992)
Cylinder & Crankcase
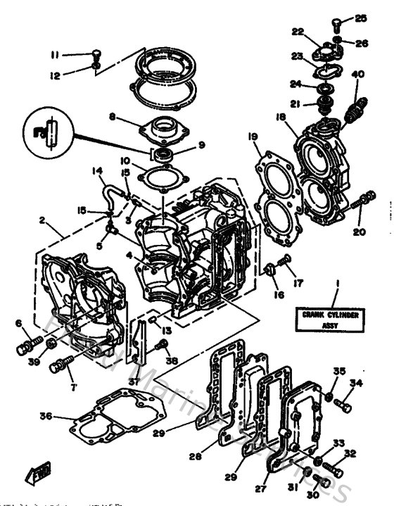
Diagram: Cylinder & Crankcase
Parts List
Reference
Description
Price
3
624144850000
Pipe, joint
Loading…
↗
4
624113790000
Valve, check
Loading…
↗
5
650113700000
Check valve assembly
Loading…
↗
6
9011908M1800
Bolt, with washer
Loading…
↗
7
9011908M6600
Bolt, with washer
Loading…
↗
9
664153590194
Housing, Oil Seal
Loading…
↗
10
66415369A000
Gasket, oil seal housing
Loading…
↗
11
973130602000
Bolt(7u8)
Loading…
↗
12
929900660000
Washer, plain (646)
Loading…
↗
13
936061201900
Pin, dowel (614)
Loading…
↗
14
904450726000
Hose (l390)
Loading…
↗
15
904670601600
Clip (655)
Loading…
↗
16
689113250000
Anode
Loading…
↗
17
987800602000
Screw flat head
Loading…
↗
19
69511181A100
Gasket, cylinder head 1
Loading…
↗
21
6F5124110200
Thermostat
Loading…
↗
22
65512413011S
Cover, thermostat
Loading…
↗
23
65512414A100
Gasket, cover
Loading…
↗
24
902012156700
Washer, plate (650)
Loading…
↗
27
66441113001S
Outer cover, exhaust
Loading…
↗
28
664411140000
Gasket, exhaust outer cover
Loading…
↗
29
66441114A000
Gasket, exhaust outer cover
Loading…
↗
30
973950602500
Bolt
Loading…
↗
32
973950603000
Bolt(jf7)
Loading…
↗
36
68945113A100
Gasket, upper casing
Loading…
↗
37
695416160000
Stopper, Magneto Base
Loading…
↗
39
953030660000
Nut(661)
Loading…
↗
40
947020027200
Plug, spark (br7hs)
Loading…
↗