Yamaha Outboard Parts - Cylinder & Crankcase - 20CMH (1996) | Flood Marine
New Search
Parts
New Outboards
Home
20CMH (1996)
Cylinder & Crankcase
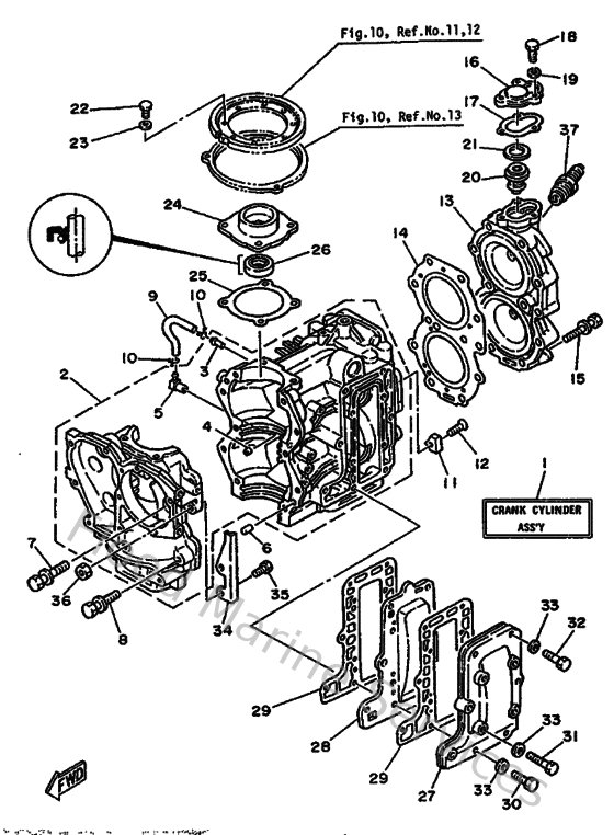
Diagram: Cylinder & Crankcase
Parts List
Reference
Description
Price
3
624144850000
Pipe, joint
Loading…
↗
4
624113790000
Valve, check
Loading…
↗
5
650113700000
Check valve assembly
Loading…
↗
6
936061201900
Pin, dowel (614)
Loading…
↗
7
9011908M1800
Bolt, with washer
Loading…
↗
8
9011908M6600
Bolt, with washer
Loading…
↗
9
904450726000
Hose (l390)
Loading…
↗
10
904670601600
Clip (655)
Loading…
↗
11
689113250000
Anode
Loading…
↗
12
987800602000
Screw flat head
Loading…
↗
14
695111810000
Gasket, cylinder head 1
Loading…
↗
17
655124140000
Gasket, cover
Loading…
↗
18
970800602000
Bolt(7u8)
Loading…
↗
19
929030610000
Washer(6a1)
Loading…
↗
20
6F5124110100
Thermostat
Loading…
↗
21
902012156700
Washer, plate (650)
Loading…
↗
23
929030660000
Washer, plain (646)
Loading…
↗
24
664153590194
Housing, Oil Seal
Loading…
↗
25
664153690000
Gasket, oil seal housing
Loading…
↗
26
931022309600
Oil seal (23x38x7-648)
Loading…
↗
27
664411130094
Outer cover, exhaust
Loading…
↗
28
664411110000
Inner cover, exhaust
Loading…
↗
29
664411140000
Gasket, exhaust outer cover
Loading…
↗
30
9010106M2700
Bolt
Loading…
↗
31
973950603000
Bolt(jf7)
Loading…
↗
32
973950603500
Bolt(j52)
Loading…
↗
34
695416160000
Stopper, Magneto Base
Loading…
↗
35
973130602000
Bolt(7u8)
Loading…
↗
36
953030660000
Nut(661)
Loading…
↗
37
947020027200
Plug, spark (br7hs)
Loading…
↗