Yamaha Outboard Parts - Cylinder & Crankcase - 25NEMO (1988) | Flood Marine
New Search
Parts
New Outboards
Home
25NEMO (1988)
Cylinder & Crankcase
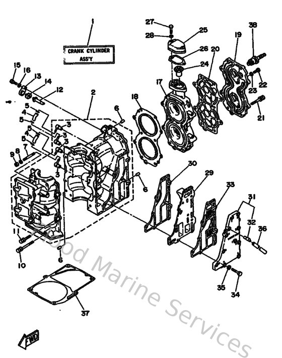
Diagram: Cylinder & Crankcase
Parts List
Reference
Description
Price
1
6L2W009010EJ
Crank Cylinder assembly
Loading…
↗
2
6L2151001094
Crankcase assembly
Loading…
↗
3
6E5113720000
Nipple, hose
Loading…
↗
4
9044507M1500
Hose (l390)
Loading…
↗
5
904670601600
Clip (655)
Loading…
↗
6
9360410M0300
Pin, dowel (688)
Loading…
↗
7
956120864500
Bolt, stud(6l2)
Loading…
↗
8
902010808600
Washer (1t1)
Loading…
↗
9
953330860000
Nut(6l2)
Loading…
↗
10
9011908M0700
Bolt, with washer(63v)
Loading…
↗
11
9011906M1400
Bolt, with washer (677)
Loading…
↗
12
6J8113250000
Anode
Loading…
↗
13
6H3113270094
Cover, anode
Loading…
↗
14
6H3113280000
Grommet, anode
Loading…
↗
15
973130601600
Bolt, hexagon deep recess
Loading…
↗
16
929900660000
Washer, plain (646)
Loading…
↗
17
6L2111110094
Head, cylinder 1
Loading…
↗
18
6L2111810000
Gasket, cylinder head 1
Loading…
↗
19
6L211191009M
Cover, cylinder head 1
Loading…
↗
20
6L211193A100
Gasket, head cover 1
Loading…
↗
21
9011908M2000
Bolt, with washer
Loading…
↗
24
6E5124110000
Thermostat
Loading…
↗
25
6H412413001S
Cover, thermostat
Loading…
↗
26
6H4124140000
Gasket, cover
Loading…
↗
27
973130602500
Bolt
Loading…
↗
29
6L241111001S
Inner cover, exhaust
Loading…
↗
30
6L2411120000
Gasket, exhaust inner cover
Loading…
↗
32
676113720000
Nipple, hose
Loading…
↗
33
6L2411140000
Gasket, exhaust outer cover
Loading…
↗
34
970800603000
Bolt(jf7)
Loading…
↗
36
9044510M4000
Hose (l400)
Loading…
↗
37
6L2451130000
Gasket, upper casing
Loading…
↗
38
947020027100
Plug, spark (br7hs-10)
Loading…
↗