Yamaha Outboard Parts - Cylinder & Crankcase - 30DEO (1993) | Flood Marine
New Search
Parts
New Outboards
Home
30DEO (1993)
Cylinder & Crankcase
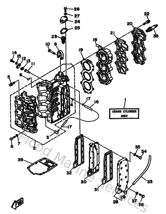
Diagram: Cylinder & Crankcase
Parts List
Reference
Description
Price
1
6J8W009042EJ
Crank cylinder assembly
Loading…
↗
3
650113700000
Check valve assembly
Loading…
↗
4
624144850000
Pipe, joint
Loading…
↗
5
9011908M1900
Bolt, with washer
Loading…
↗
6
970800603000
Bolt(jf7)
Loading…
↗
7
929900660000
Washer, plain (646)
Loading…
↗
8
936061201900
Pin, dowel (614)
Loading…
↗
9
6F5111190000
Hanger, engine
Loading…
↗
10
973130803500
Bolt
Loading…
↗
11
6J8113250000
Anode
Loading…
↗
12
6H3113270094
Cover, anode
Loading…
↗
13
6H3113280000
Grommet, anode
Loading…
↗
14
973130601600
Bolt, hexagon deep recess
Loading…
↗
16
9044507M2900
Hose (l200)
Loading…
↗
17
904670601600
Clip (655)
Loading…
↗
18
6J811111001S
Head, cylinder 1
Loading…
↗
19
6J811181A000
Gasket, cylinder head 1
Loading…
↗
20
6J811191009M
Cover, Cylinder Head 1
Loading…
↗
21
6J811193A100
Gasket, head cover 1
Loading…
↗
22
9011908M0700
Bolt, with washer(63v)
Loading…
↗
23
688124111000
Thermostat
Loading…
↗
24
6H412413009M
Cover, thermostat
Loading…
↗
25
61A12414A000
Gasket, cover
Loading…
↗
26
973130602500
Bolt
Loading…
↗
28
6J841113009M
Outer cover, exhaust
Loading…
↗
29
676113720000
Nipple, hose
Loading…
↗
30
6J841111001S
Inner cover, exhaust
Loading…
↗
31
6J841114A000
Gasket, exhaust outer cover
Loading…
↗
32
6J841112A000
Gasket, exhaust outer cover
Loading…
↗
33
6J81111J0000
Pipe 1
Loading…
↗
34
970130603500
Bolt(3rv)
Loading…
↗
38
6J845113A000
Gasket, upper casing
Loading…
↗
39
947020027100
Plug, spark (br7hs-10)
Loading…
↗