Yamaha Outboard Parts - Cylinder & Crankcase - 40HM (1986) | Flood Marine
New Search
Parts
New Outboards
Home
40HM (1986)
Cylinder & Crankcase
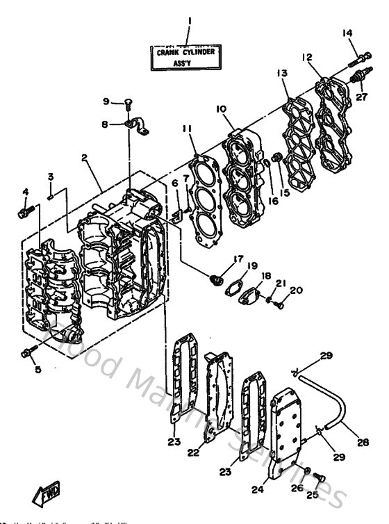
Diagram: Cylinder & Crankcase
Parts List
Reference
Description
Price
2
6H4151000194
Crankcase assembly
Loading…
↗
3
936061201900
Pin, dowel (614)
Loading…
↗
4
9011908M1900
Bolt, with washer
Loading…
↗
5
9011906M1300
Bolt, with washer (682)
Loading…
↗
6
688113250000
Anode
Loading…
↗
7
986800401600
Screw, flat head(ga5)
Loading…
↗
8
6H4111190100
Hanger, engine
Loading…
↗
9
973130601400
Bolt(gj3)
Loading…
↗
10
6H4111110094
Head, Cylinder 1
Loading…
↗
11
6H411181A200
Gasket, cylinder head 1
Loading…
↗
12
6H411191009M
Cover, Cylinder Head 1
Loading…
↗
13
6H4111930000
Gasket, head cover 1
Loading…
↗
14
901190801500
Bolt, with washer
Loading…
↗
17
6E5124111000
Thermostat
Loading…
↗
18
6H412413009M
Cover, thermostat
Loading…
↗
19
61A12414A000
Gasket, cover
Loading…
↗
22
6H441111009M
Inner cover, exhaust
Loading…
↗
23
6H4411140000
Gasket, exhaust outer cover
Loading…
↗
24
6H441113001S
Outer cover, exhaust
Loading…
↗
25
973950603500
Bolt(j52)
Loading…
↗
26
929900660000
Washer, plain (646)
Loading…
↗
27
BR7HS0000000
UNIDEN ATLANTIS VHF
Loading…
↗
28
9044509M3700
Hose (l1500)
Loading…
↗
29
904670800400
Clip, pipe 6162435600
Loading…
↗