Yamaha Outboard Parts - Cylinder & Crankcase - 50GETO (1994) | Flood Marine
New Search
Parts
New Outboards
Home
50GETO (1994)
Cylinder & Crankcase
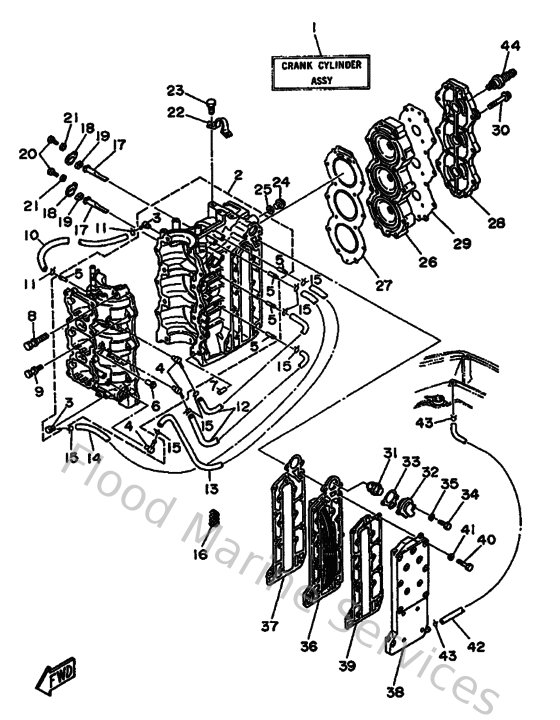
Diagram: Cylinder & Crankcase
Parts List
Reference
Description
Price
1
6H3W0090414D
Crank cylinder assembly
Loading…
↗
2
6H3151001394
Crankcase assembly
Loading…
↗
3
688113700000
Check valve assembly
Loading…
↗
4
650113700100
Check valve assembly
Loading…
↗
5
624144850000
Pipe, joint
Loading…
↗
6
650243780000
Pipe, joint 2
Loading…
↗
7
936081206300
Pin, dowel (626)
Loading…
↗
8
9011910M0700
Bolt (6f5)
Loading…
↗
10
9044507M4400
Hose (l390)
Loading…
↗
11
904670601600
Clip (655)
Loading…
↗
12
9044507M0200
Hose (l200)
Loading…
↗
13
9044507M4500
Hose (l390)
Loading…
↗
14
9044507M8200
Hose (l770)
Loading…
↗
16
9046407M0500
Clamp (6g5)
Loading…
↗
17
6H3113250100
Anode
Loading…
↗
19
6H3113280000
Grommet, anode
Loading…
↗
20
970950601600
Bolt, hexagon deep recess
Loading…
↗
21
929900660000
Washer, plain (646)
Loading…
↗
22
688111190000
Hanger, engine
Loading…
↗
23
970130802000
Bolt(6td)
Loading…
↗
24
9034014M0000
Plug, straight screw(62y)
Loading…
↗
25
904301411500
Gasket (663)
Loading…
↗
26
6H3111110194
Head, cylinder 1
Loading…
↗
27
6H311181A200
Gasket, cylinder head 1
Loading…
↗
28
6H311191009M
Cover, cylinder head 1
Loading…
↗
29
6H311193A100
Gasket, head cover 1
Loading…
↗
30
9011908M0900
Bolt (6f5)
Loading…
↗
31
6H3124111000
Thermostat
Loading…
↗
32
6H312413001S
Cover, thermostat
Loading…
↗
33
6H312414A100
Gasket, cover
Loading…
↗
34
970950602500
Bolt
Loading…
↗
36
6H341111009M
Inner cover, exhaust
Loading…
↗
37
6H341112A000
Gasket, exhaust inner cover
Loading…
↗
38
6H341113021S
Outer cover, exhaust
Loading…
↗
39
6H341114A000
Gasket, exhaust outer cover
Loading…
↗
40
970130603500
Bolt(3rv)
Loading…
↗
43
904670800400
Clip, pipe 6162435600
Loading…
↗
44
947020024700
Plug, spark (br8hs-10)
Loading…
↗