Yamaha Outboard Parts - Cylinder & Crankcase - 6CEM (1990) | Flood Marine

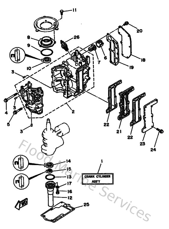
Diagram: Cylinder & Crankcase

Diagram